RF2514 AM/ASK/OOK 915/868 MHz发射器

📅 发布时间:2013-09-29 11:50 👁️ 浏览:0 🏷️ 标签: 2514 915 868 ASK

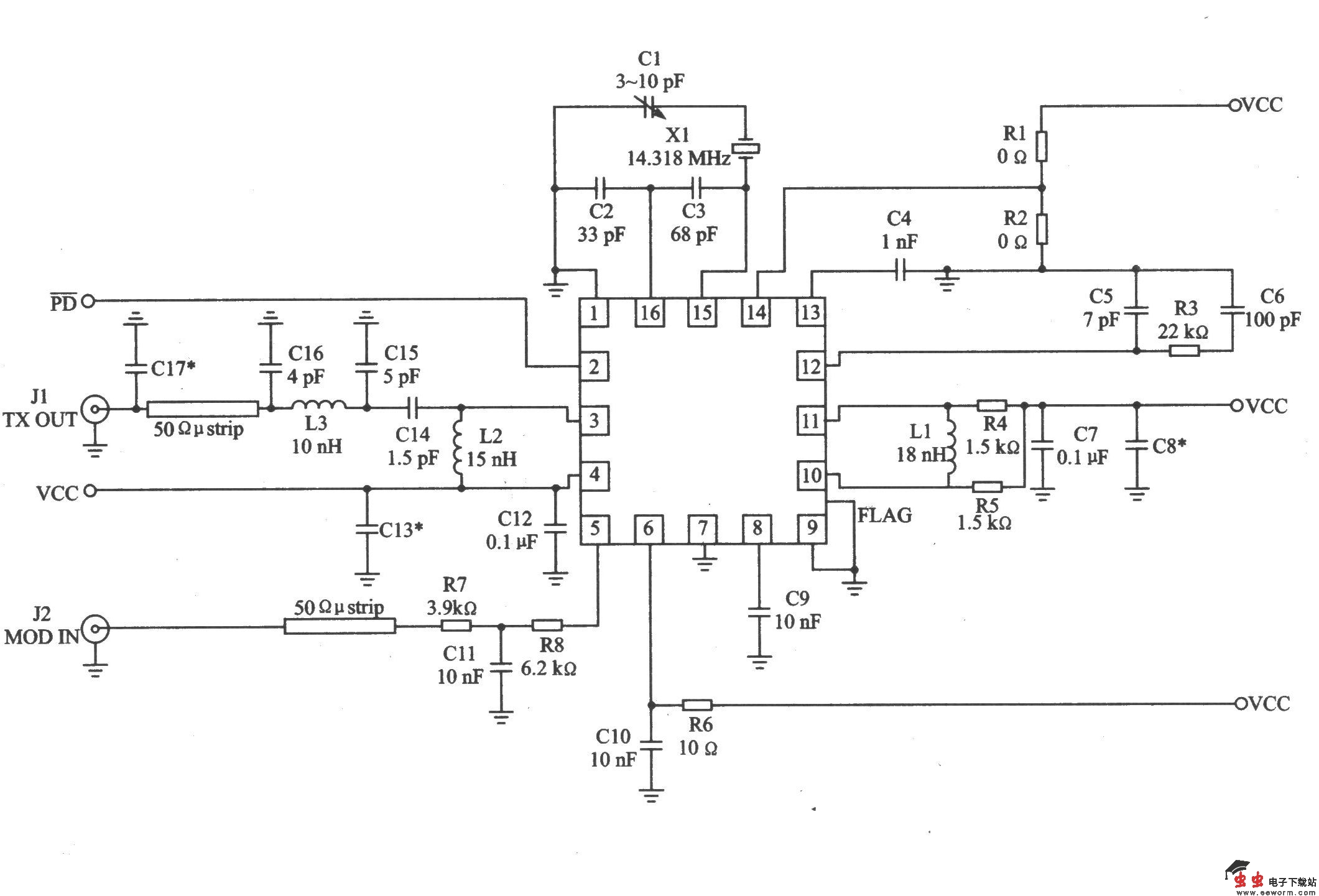
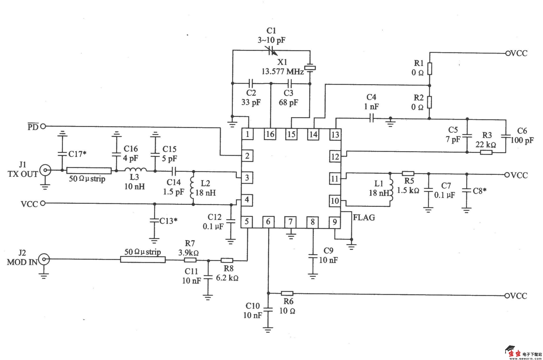
RF251是带有锁相环的廉价发射器芯片,适合美国和欧洲VHF/UHF ISM频段应用。 主要技术特点如下: ·工作频带为l00-~1000 MHz ·AM/ASK/OOK调制方式; ·电源电压为2.25~3.6 V。 ·工作电流为8 mA,睡眠模式电流为l uA; ·提供 1 dBm的输出功率(对50 Ω的负载)。

 

RF2514的868 MHz应用电路

 

RF2514的915 MHz应用电路

觉得这篇文章有帮助吗?