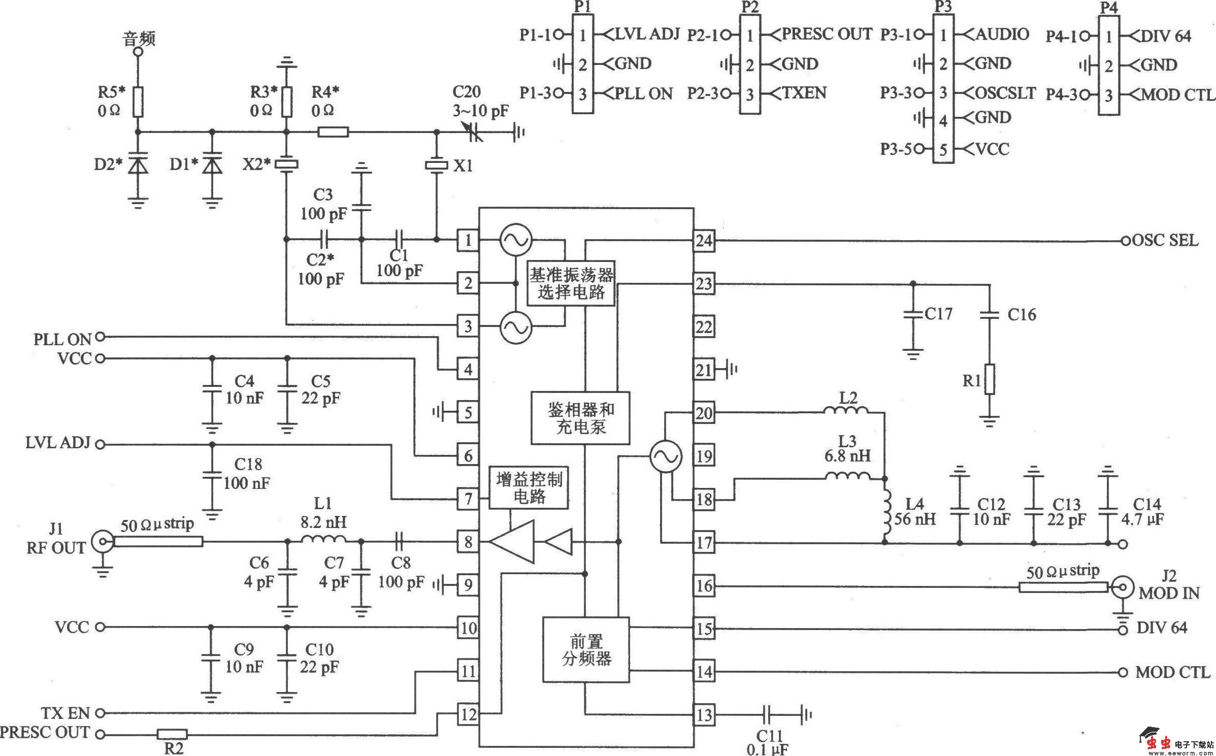
RF2513是一个使用低成本频率合成器的单片FM/FSK发射器。它适合美国915 MHz ISM频带和欧洲433 MHz或868 MHz ISM频带应用。 主要技术特点如下: ·工作频率为3001000 MHz; ·FM/FSK调制方式; ·工作电压为2.5~5 V; ·工作电流为27 mA,睡眠模式电流为l uA; ·输出功率为10 mW(在433 MHz)
RF2513 的 915 MHz和868 MHz应用电路
RF2513 的434 MHz应用电路
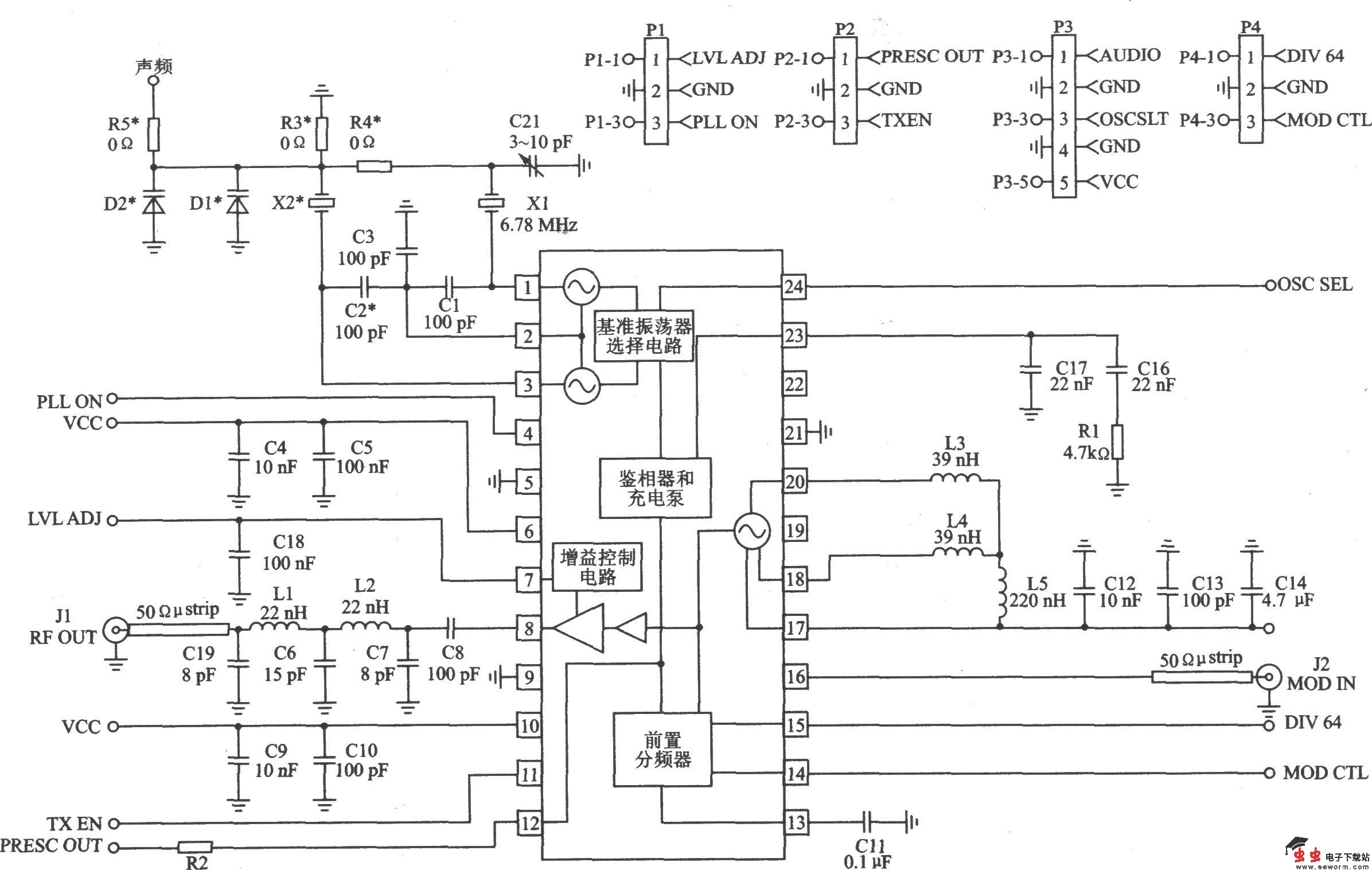
RF2513是一个使用低成本频率合成器的单片FM/FSK发射器。它适合美国915 MHz ISM频带和欧洲433 MHz或868 MHz ISM频带应用。 主要技术特点如下: ·工作频率为3001000 MHz; ·FM/FSK调制方式; ·工作电压为2.5~5 V; ·工作电流为27 mA,睡眠模式电流为l uA; ·输出功率为10 mW(在433 MHz)
RF2513 的 915 MHz和868 MHz应用电路
RF2513 的434 MHz应用电路