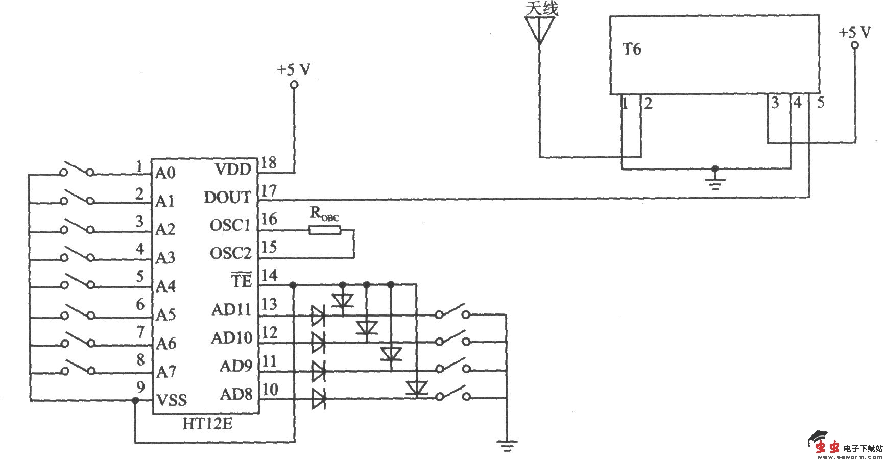
QFMT6 -xxx是一个微型的UHF发射器模块,有QFMT6-868.4 SIL(434 MHz)、QFMT6-869.85 SIL(868 MHz)和QFMT6-915 SIL(916 MHz)3种型号,可应用在欧洲868.4 MHz频段、869.85 MHz频段和美国的915.0 MHz频段。QFMT6-xxx模块与配套的接收器模块组合使用,适合一对一或多点无线连接应用,例如在大厦和汽车的安防系统、遥控遥测和计算机网络无线数据传输中应用。
QFMT6-xxx的应用电路
QFMT6 -xxx是一个微型的UHF发射器模块,有QFMT6-868.4 SIL(434 MHz)、QFMT6-869.85 SIL(868 MHz)和QFMT6-915 SIL(916 MHz)3种型号,可应用在欧洲868.4 MHz频段、869.85 MHz频段和美国的915.0 MHz频段。QFMT6-xxx模块与配套的接收器模块组合使用,适合一对一或多点无线连接应用,例如在大厦和汽车的安防系统、遥控遥测和计算机网络无线数据传输中应用。
QFMT6-xxx的应用电路