RF2909 GMSK/QPSK/DQPSK/QAM 915 MHz发射器

📅 发布时间:2013-09-29 11:20 👁️ 浏览:0 🏷️ 标签: DQPSK 2909 GMSK QPSK

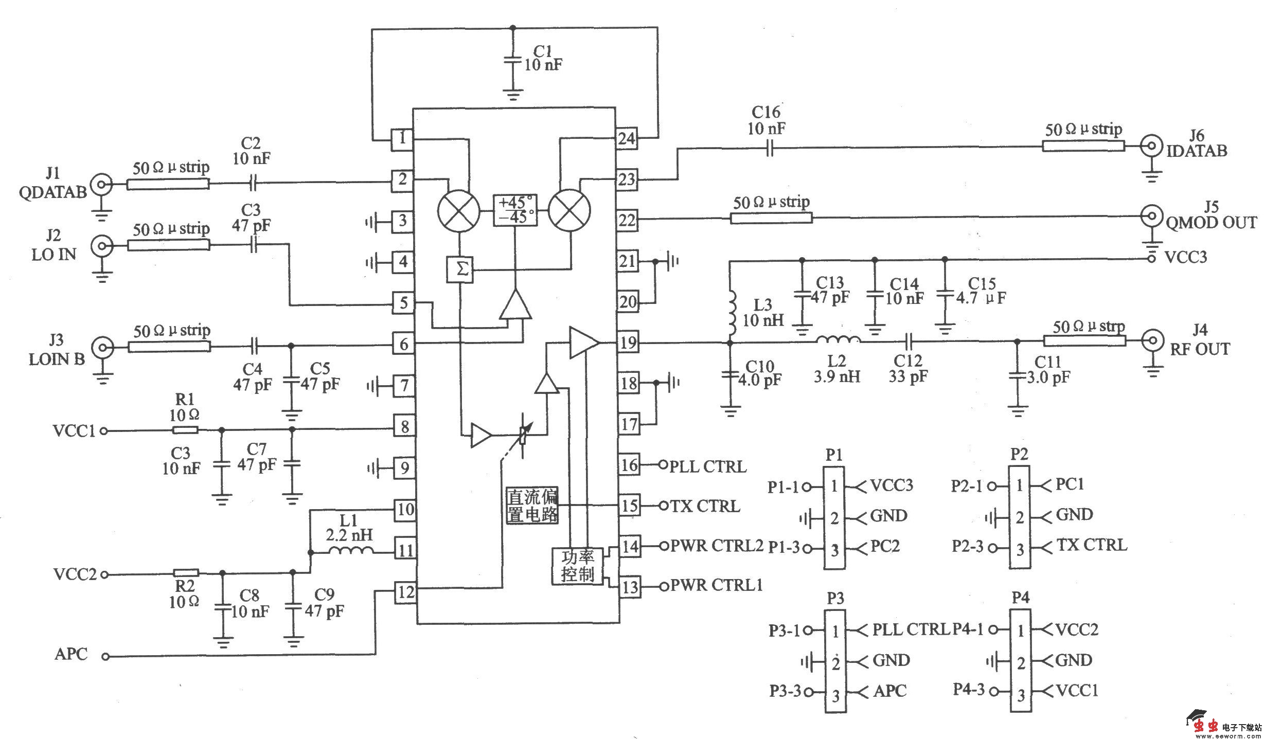
Spread-Spectrum)发射器芯片。RF2909的LO(本机振荡器)使用无源网络,可调谐到915 MHz。它适合扩频无绳电话、便携电池供电的移动设备和915 MHz ISM频带领域的应用。 主要技术特点如下: ·通过两个数字输入控制信号可以设置输出功率为l mW、10 mW或者70 mW,也能够通过模拟输入信号在1~80 mW范围内调节; ·GMSK、QPSK、DQPSK和QAM调制方式; ·电源电压为2.7~5 V; ·最大工作电流为200 mA,待机电流为l uA; ·具有极好的相位和幅度平衡。

 

RF2909 评估板电路

觉得这篇文章有帮助吗?