简易远距离无线传声器电路

📅 发布时间:2013-09-29 10:50 👁️ 浏览:2 🏷️ 标签: 无线 传声器 电路

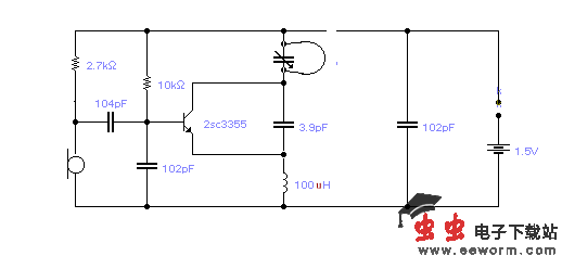
内藏式环形天线采用长度160MM,φ1MM 的漆包线制成金属圆环或方框形嵌入机壳内。调节电容C3,使发射频率落入88-108MHZ之间,以便用调频收音机接收。当电池电压在1。2-2V之间变化时,长时间工作。本电路发射频率稳定不变。电池电压1。5V时,整机工作电流约2。5MA。调试时,手不要靠近环形天线,安放时不要靠近金属物,以免影响振荡频率和发射距离。

觉得这篇文章有帮助吗?