CMX018是双变换超外差接收器,与CMX017无线发射芯片配套使用,适用于ISM(工业、科学和医学)频率范围内的各种应用。 主要技术特点如下: ·工作在860~965 MHz UHF频段; ·FM/FSK解调方式; ·数据传输速率可达500 Kb/s; ·工作电压为2.7~3.3 V, ·工作电流为50 mA,低功耗模式电流低于l0μA。 ·工作温度为-10~ 60℃。
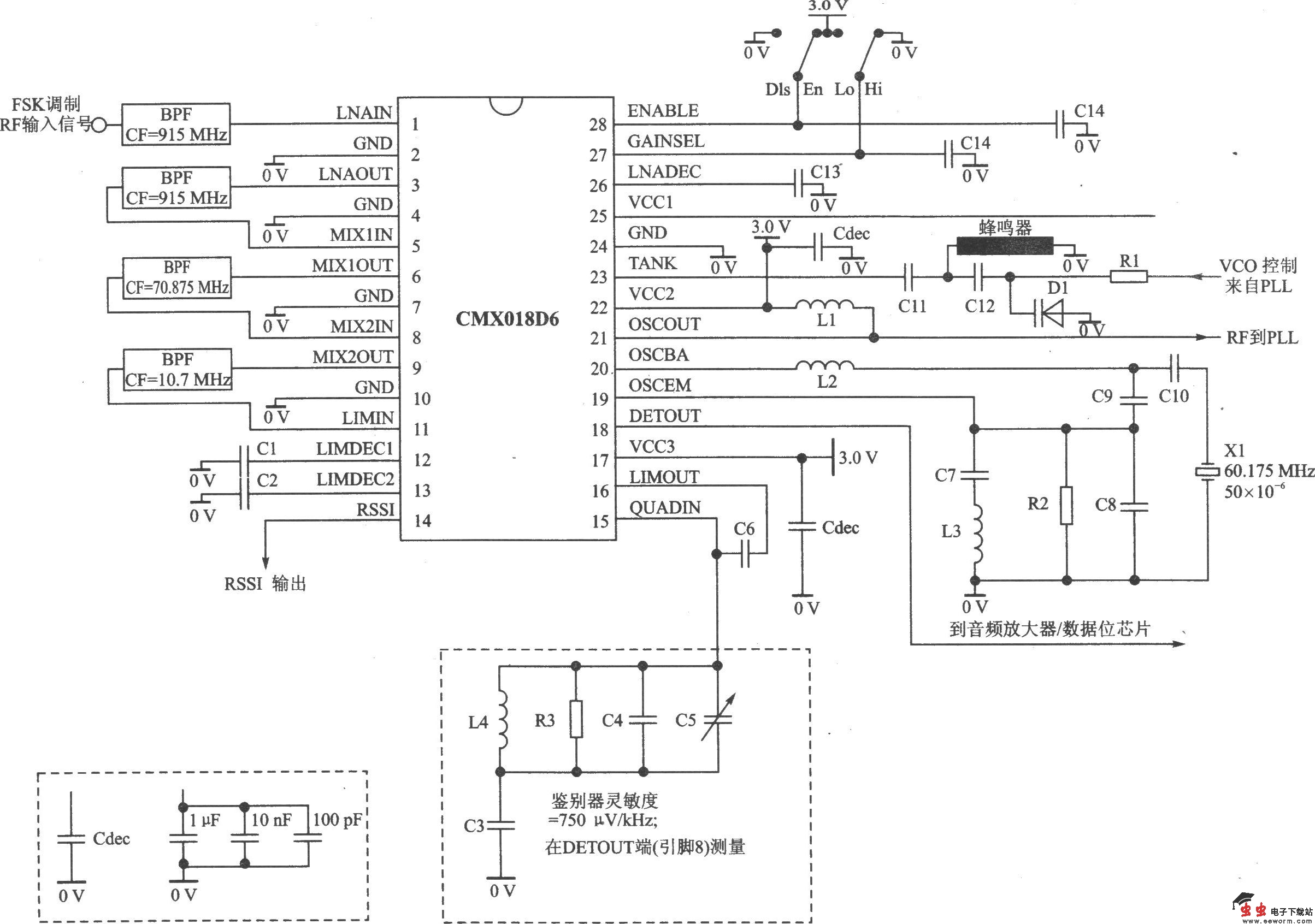
CMX018的应用电路 CMX018的应用电路元器件

CMX018是双变换超外差接收器,与CMX017无线发射芯片配套使用,适用于ISM(工业、科学和医学)频率范围内的各种应用。 主要技术特点如下: ·工作在860~965 MHz UHF频段; ·FM/FSK解调方式; ·数据传输速率可达500 Kb/s; ·工作电压为2.7~3.3 V, ·工作电流为50 mA,低功耗模式电流低于l0μA。 ·工作温度为-10~ 60℃。
CMX018的应用电路 CMX018的应用电路元器件
