T5761/T5760 ASK/FSK 870~868 MHz/928~902 MHz接收器

📅 发布时间:2013-09-29 04:30 👁️ 浏览:2 🏷️ 标签: MHz 5761 5760 ASK

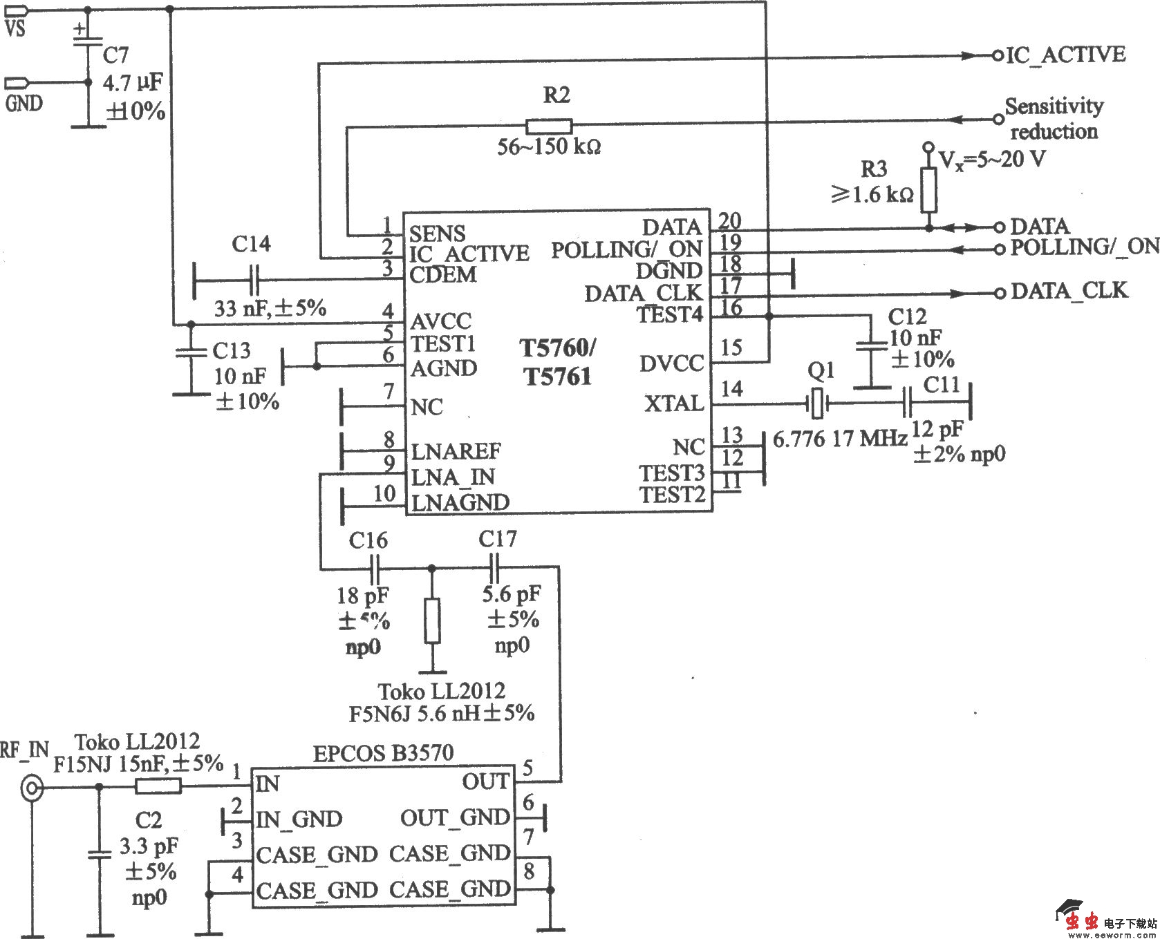
T5761/T5760是专为满足低成本RF数据传输系统的要求而开发的接收器。它与射频发射芯片T5750配套使用,适合在遥测、保安技术和无键进人系统等领域应用。 主要技术特点如下: ·接收频率为868~870 MHz/902~928 MHz; ·ASK/FSK解调方式; ·传输曼切斯特或双相位编码的数据速率为1~10 Kb/s; ·输入灵敏度:ASK方式为-ll0dBm,FSK方式为-l02 dBm ·系统IIP3为-l6 dBm,1 dB压缩点为-25 dBm,镜像衰减为30 dB; ·5~20 V兼容的数据接口,与微控制器通信只需要一根双工数据线; ·数据时钟可用于曼切斯特或双相位编码信号; ·有可编程的数字噪声抑制,可分配查询方式实现低功耗; ·最大额定电压为6 V; ·工作电流:FSK方式为9.9 mA, ASK方式为9.6 mA,睡眠方式为276μA; ·工作温度为-40~105℃。

 

T5761/T5760在fRF =868.3 MHz不带SAW滤波器的应用电路

 

T5761/T5760在fRF =868.3 MHz带SAW滤波器的应用电路

觉得这篇文章有帮助吗?