RXM-433/418-RM系列FM超外差式接收器模块

📅 发布时间:2013-09-29 04:00 👁️ 浏览:0 🏷️ 标签: RXM 433 418 RM

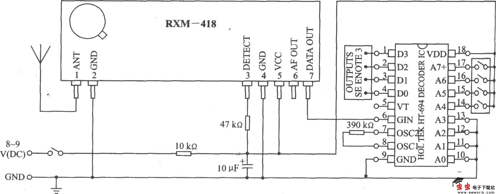
RXM-433/418-RM系列接收器模块是一款十分灵敏、基于表面波、双重变换、调频超外差式接收器。该系列模块与TXM-433/418-RM系列发射器模块配套使用,能实现高可靠射频链接,接收模拟和高速数字信号距离超过152 m(500 ft)。它适用于远距离遥控、远距离监测/遥感勘测、医疗监测/寻呼、远距离工业过程监测、周期数据传输、车库门的开启、照明控制和火灾/安全报警等系统。 主要技术特点如下: ·精密SAW控制调频接收,有载波检波器和音频输出,产品不需要调谐,紧凑的SIP封装; ·接收串行数据速率高于10 Kb/s; ·灵敏度为-l00 dBm; ·工作电压为3.9~9 V; ·工作电流为l4 mA,待机电流为l50μA。

 

RXM-433/418-RM系列基本的遥控电路

觉得这篇文章有帮助吗?