
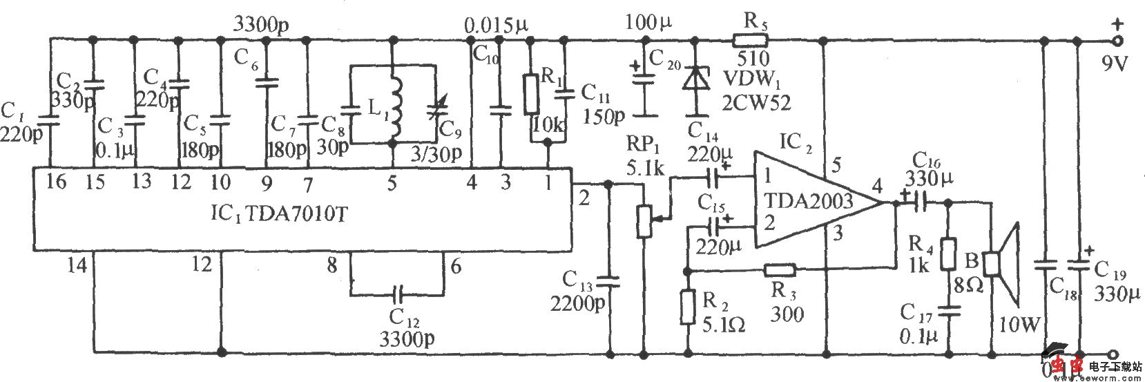
该电路是与牲畜护栏断线报叫无线发射机电路配套用的接收机,将它置于值班房内或由监听人员携带在身旁,一旦护栏断线,就会收到发来的调频(88~108MHz)信号,接收机扬声器就发出动物的相应叫声,以便采取措施。电路如图所示。FM接收机是一片调频(FM)专用集成电路TDA7010T为核心组成的。它的接收范围为88~108MHz,与发信的频率相对应。L1,C8,C9组成的并联谐振回路用于调准或跟踪发信频率,通过调节半可变瓷介电容器C9进行选频。一般情况下,只要元器件质量完好,调试将十分顺利。TDA7010T的不失真功率约为0.5W。为了得到较强的视听功率,加了一级音频功率放大电路,它是以***率的TDA2003集成电路为核心组成的。该电路的输入、输出阻抗匹配良好,不失真的输出功率可达6W。音量可通过接在放大器输入端的电位器RP1来调节。扬声器B的功率应不小于10W。