SJ04E组成的接收电路

📅 发布时间:2013-09-28 06:50 👁️ 浏览:0 🏷️ 标签: 04E SJ 04 接收电路

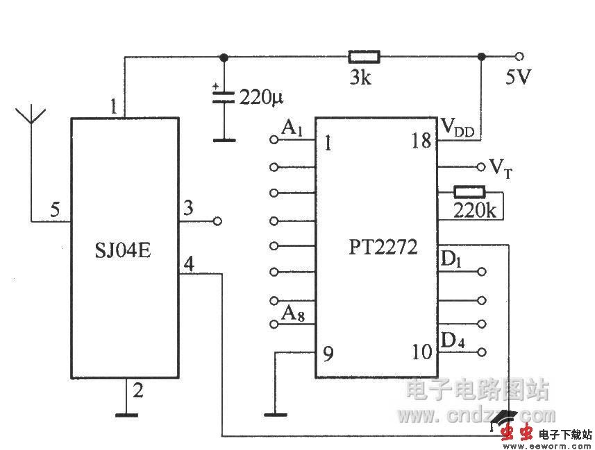
与SJ04E配套的发射组件为SF04B或SF04E,也可以与SF05A或SF05B配套使用.如图是SJ04E组成的接收电路.

觉得这篇文章有帮助吗?