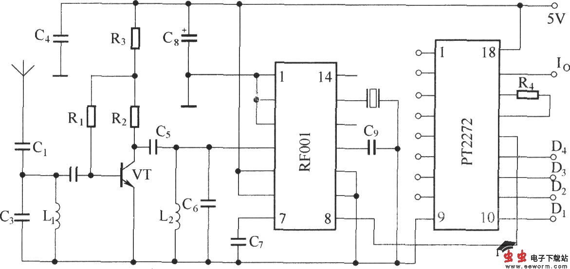
SB-200BRX超外差接收电路

📅 发布时间:2013-09-28 05:50 👁️ 浏览:0 🏷️ 标签: 200 BRX SB 接收电路

SB-200BRX是在SB-200ARX的基础上改进而成的,主要是将振荡发射管C3356改用C3357.SB-200BRX超外差接收电路如图所示.

觉得这篇文章有帮助吗?