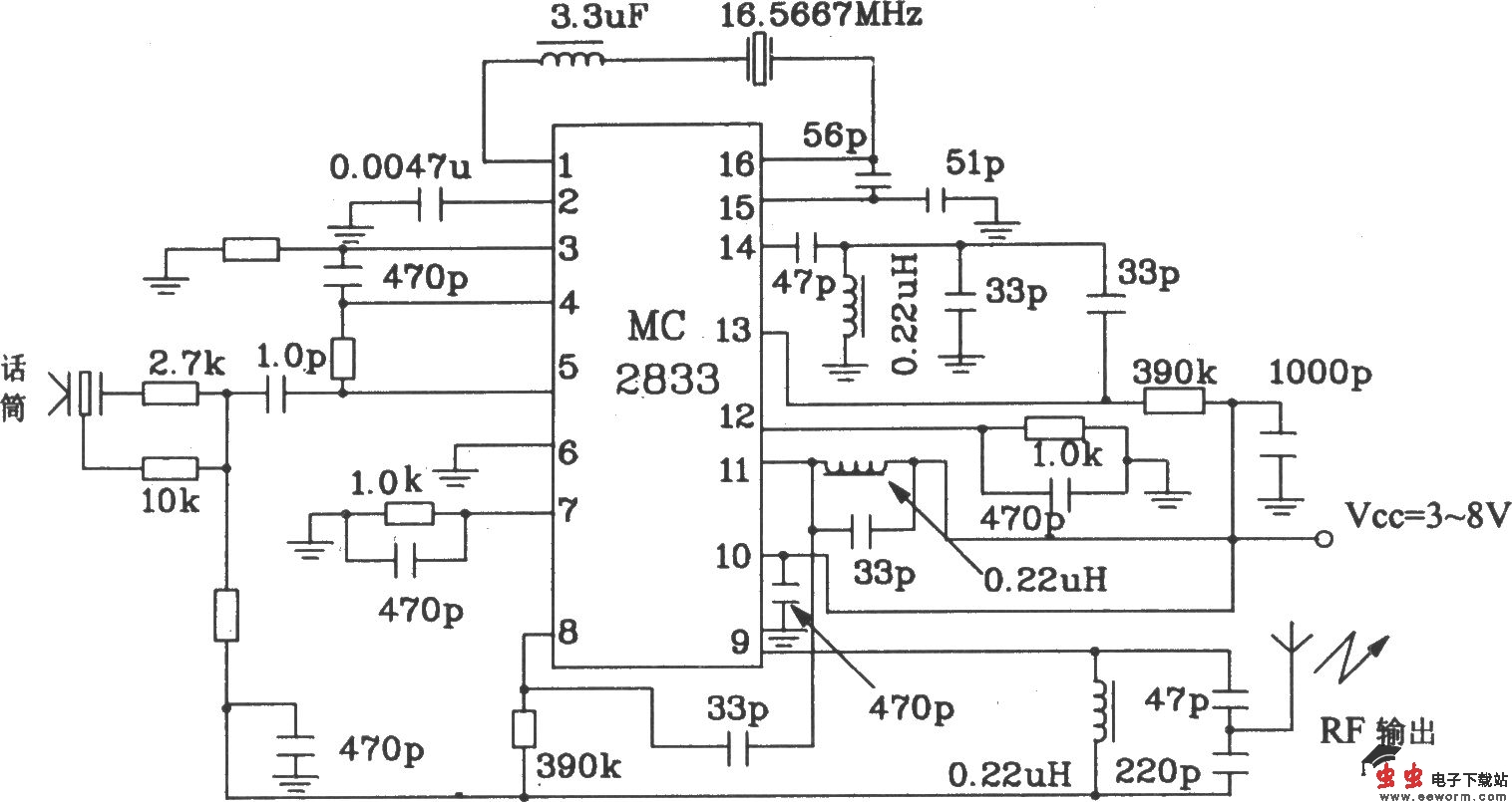
由MC2833构成的无线电发射典型应用电路图

📅 发布时间:2013-09-28 02:10 👁️ 浏览:1 🏷️ 标签: 2833 MC 无线 发射

MC2833无线电发射专用电路是MC2831的改进型。

由MC2833构成的无线电发射典型应用电路图 

MC2833外形引脚图

由MC2833构成的无线电发射典型应用电路图 

MC2833内部原理框图

由MC2833构成的无线电发射典型应用电路图 

MC2833构成的无线电发射典型应用电路 此电路产生49.7MHz的高频信号由天线发射出去。

觉得这篇文章有帮助吗?