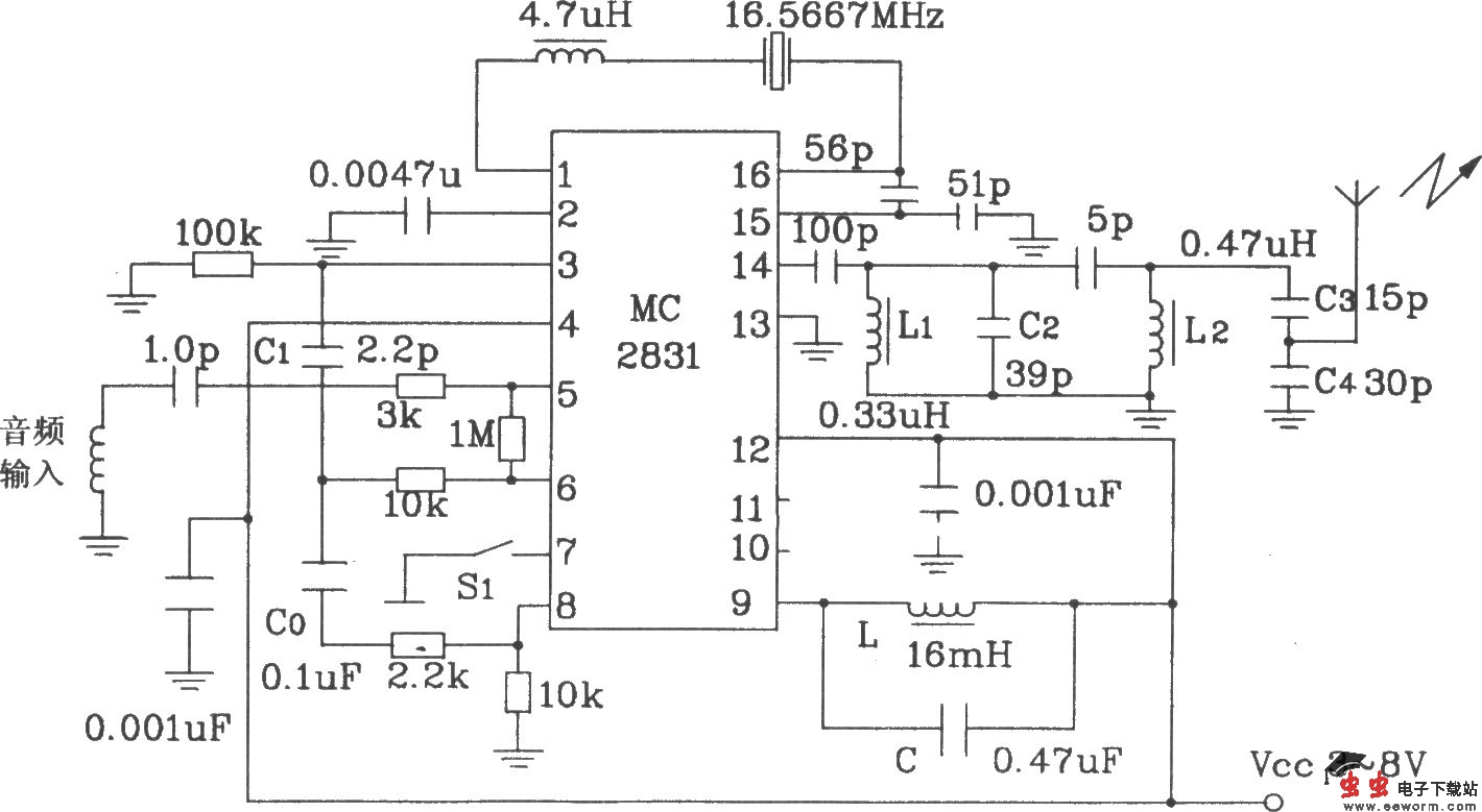
由MC2831构成的无线电发射典型应用电路

📅 发布时间:2013-09-28 01:50 👁️ 浏览:1 🏷️ 标签: 2831 MC 无线 发射

MC2831无线电发射专用集成电路是美国摩托罗拉公司生产的无线电调频(FM)发射专用器件。此器件与MC33XX系列无线电接收集成电路配合使用,可制成小型化、高性能、大功率的对讲机、电话机以及无线电遥控等设备。

由MC2831构成的无线电发射典型应用电路 

MC2831外形引脚图 MC2831内部原理框图 电气参数 MC2831工作频率为l4~60MHz;工作电压3~8V;工作电流4mA(Vcc=4V时);对于话筒放大器,当第5脚输入电压为lmV且f=1.0kHz时,闭环增益为30dB。输入为30mV时,失真度为0.7%;内部导频振荡器触发电压(第7脚电压)约为1.4V。

由MC2831构成的无线电发射典型应用电路 

MC2831构成的无线电发射典型应用电路

觉得这篇文章有帮助吗?