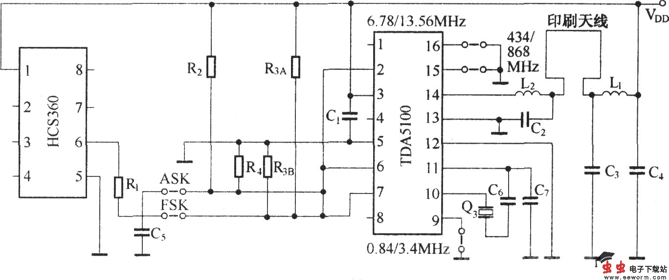
滚码编码无线电发射电路(HSC360/TDA5100)

📅 发布时间:2013-09-28 01:35 👁️ 浏览:1 🏷️ 标签: 5100 HSC 360 TDA

滚码编码无线电发射电路(HSC360/TDA5100)

TDA5100是西门子公司推出的超高频无线电发射电路,它内部结构复杂,功能完善,灵敏度高,输出信号幅度大,外围元件少,价格便宜,是一种性能优越的发射电路.

觉得这篇文章有帮助吗?