
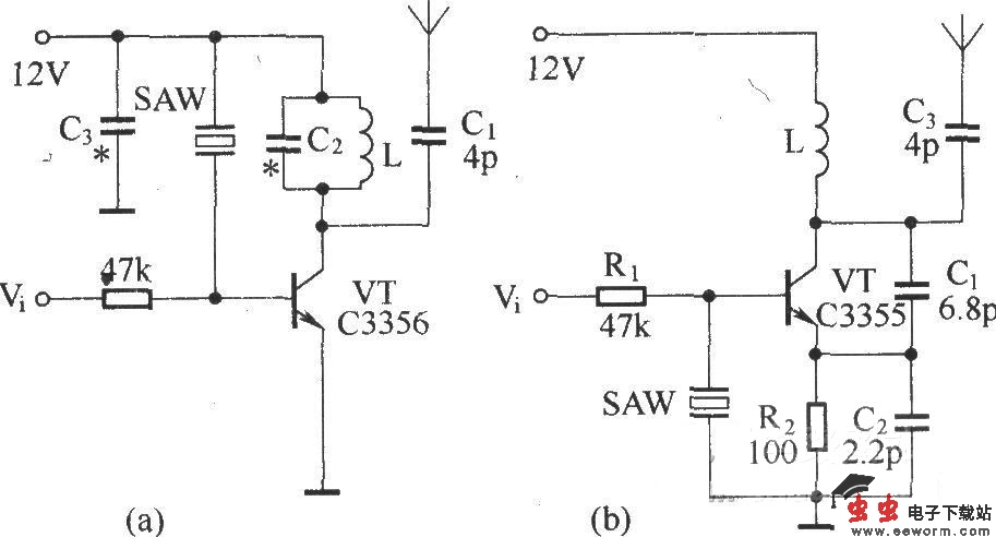
(a)所示是由声表面波谐振器(SAW)组成的晶体管超高频无线电发射的基本电路,其中SAW暂作为正反馈元件接在三极管VT的基极与LC网络并联.
(b)所示是又一种由声表面波谐振器组成的晶体管超高频无线电发射基本电路,在该电路中,SAW被接在晶体管的基极与发射极之间;它们之间的相位关系为180o,满足起振的相位条件。本电路是一个电容三点式振荡电路,其振荡频率本应由反馈电容C1、C2来决定,现在将SAW接入,电路的振荡频率则由SAW的谐振频率决定,而C1、C2只作为振荡的反馈元件,并不决定电路的振荡频率。