由TDC1808/1809构成射频单、多通道遥控发射、接收电路图

📅 发布时间:2013-09-27 15:10 👁️ 浏览:0 🏷️ 标签: 1808 1809 TDC 射频

TDC1808/1809射频无线发射/接收专用模块可方便地构成各种无线遥控装置。

由TDC1808/1809构成射频单、多通道遥控发射、接收电路图 

TDC1808外形引脚图

由TDC1808/1809构成射频单、多通道遥控发射、接收电路图 

TDC1809外形引脚图 TDC1808/1809遥控发射/接收模块应用频率范围很广。发射模块TDCl808在出厂时已将发射频率调在250--350MHz之间,可提供l0种频率使用。另外TDCl808在使用时还具有 A、B两种连接方法:无调制的信号或外接各种调制信号发射,例如:音频调制或数码调制等。因此可外接各种调制信号来构成发射电路,TDCl808的工作电压出厂时定为9V,该厂也可为用户生产l.5~18V电源电压的发射模块。接收模块TDCl809工作电压为5.1V,如需要5V以下的工作电压时,也可向该厂定做。

由TDC1808/1809构成射频单、多通道遥控发射、接收电路图 

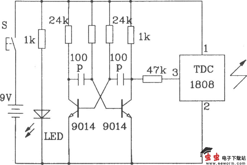
TDC构成射频单通道遥控发射电路

由TDC1808/1809构成射频单、多通道遥控发射、接收电路图 

TDC1809构成射频单通道遥控接收电路

由TDC1808/1809构成射频单、多通道遥控发射、接收电路图 

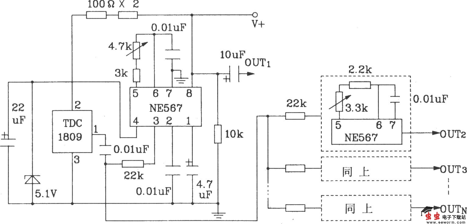
TDC构成多通道射频遥控发射电路

由TDC1808/1809构成射频单、多通道遥控发射、接收电路图 

TDC构成多通道射频遥控接收电路

觉得这篇文章有帮助吗?