自动除臭器电路原理图

📅 发布时间:2013-08-19 14:30 👁️ 浏览:0 🏷️ 标签: 动除臭器 电路原理图

自动除臭器电路原理图
自动除臭器电路原理框图:
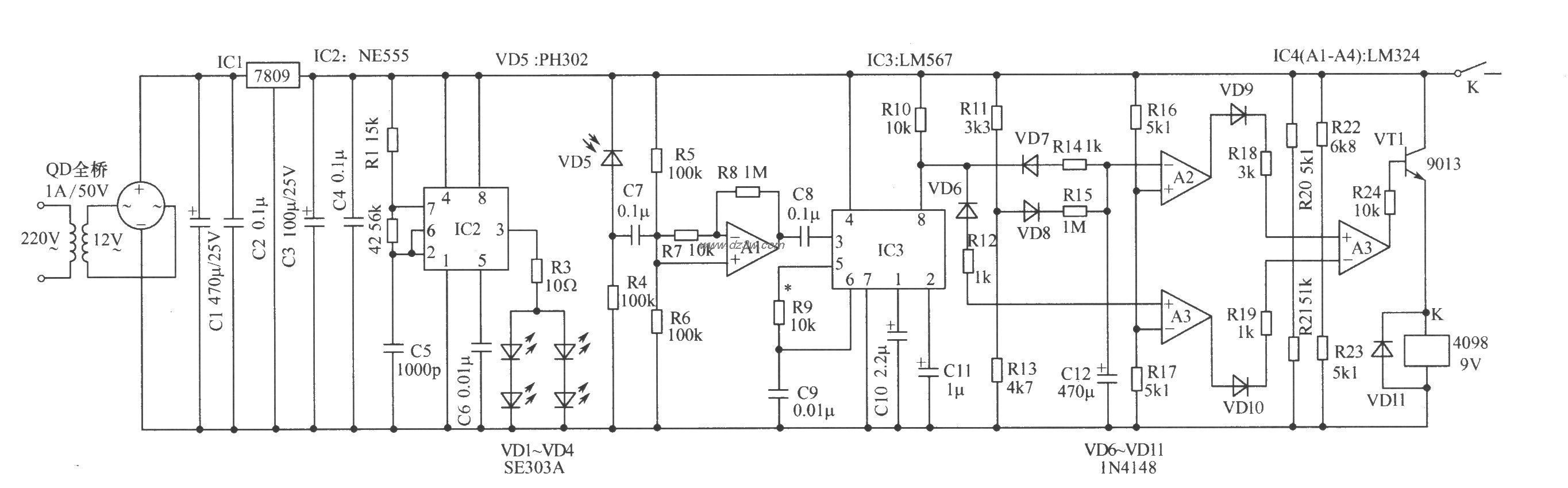
自动除臭器电路原理图:

 


觉得这篇文章有帮助吗?