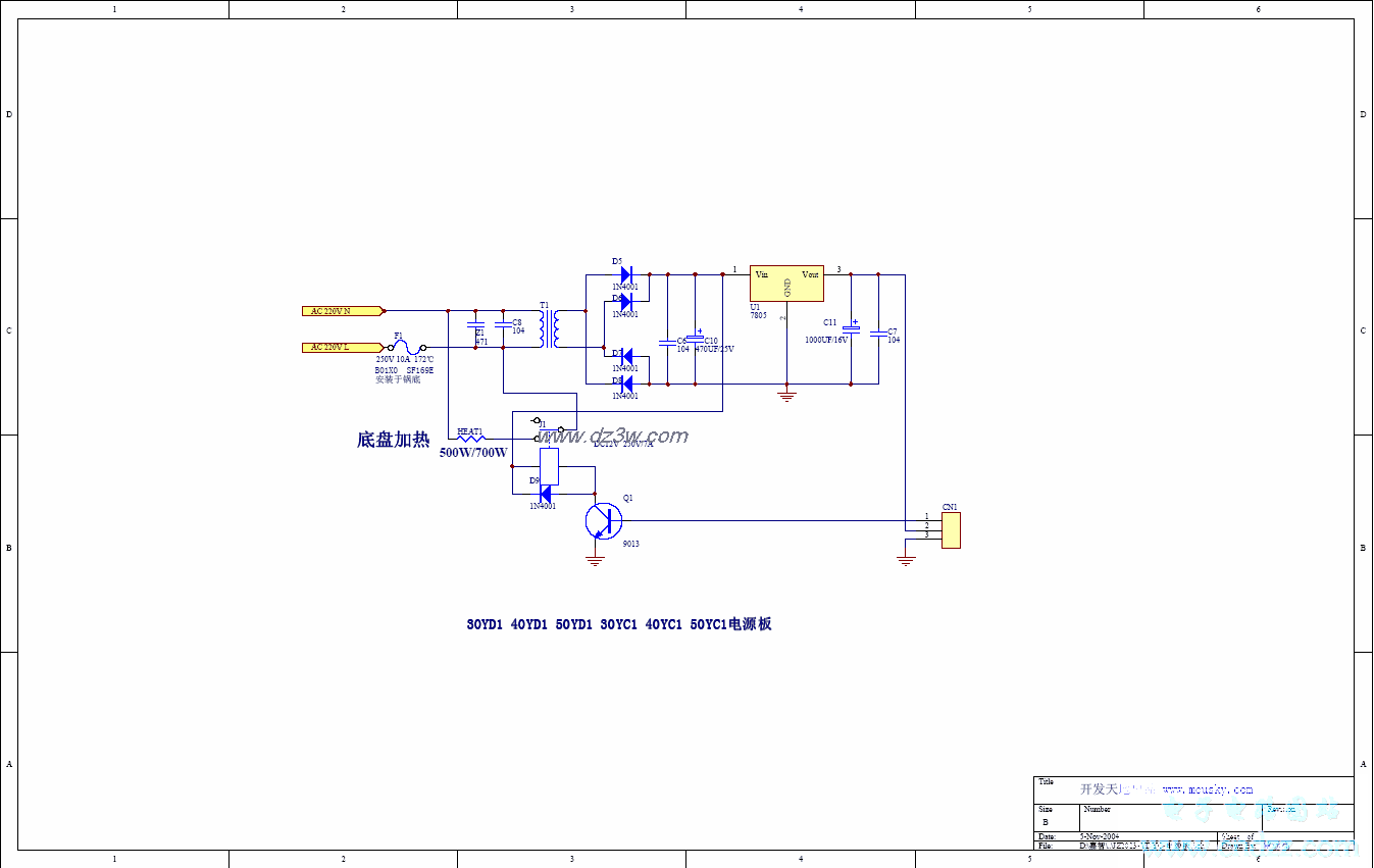
圆型电脑自动电饭煲电路

📅 发布时间:2013-08-19 14:00 👁️ 浏览:0 🏷️ 标签: 电脑 自动 电饭煲 电路

圆型电脑自动电饭煲电路(2)
圆型电脑电饭煲,底部加热、双传感器,数码管显示,八大功能,HT46R47


 


觉得这篇文章有帮助吗?