飞跃WP-600型电脑式微波炉电路

📅 发布时间:2013-10-10 21:00 👁️ 浏览:3 🏷️ 标签: 600 WP 电脑 微波炉

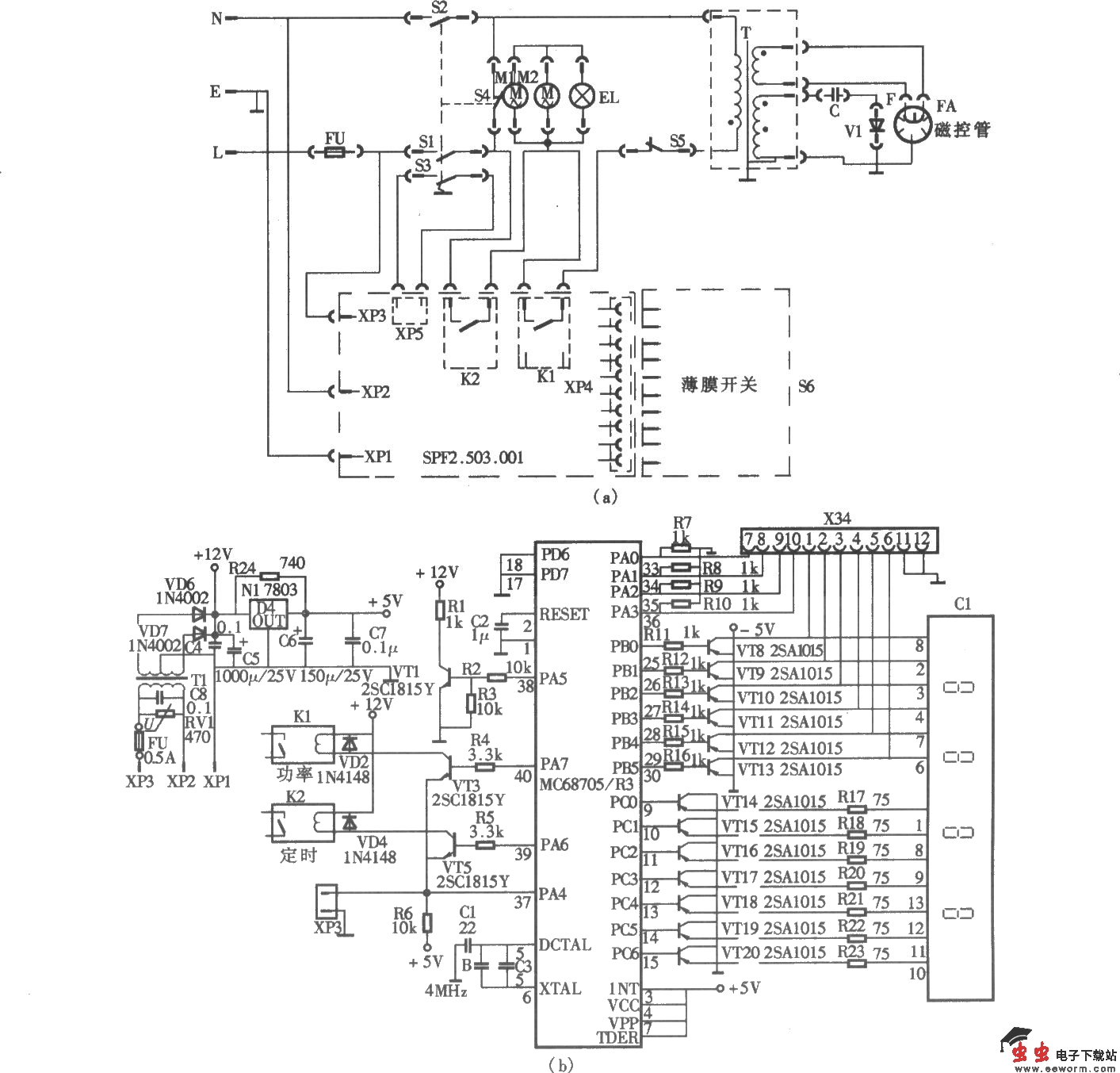
飞跃WP-600型电脑式微波炉电路 (a)整机接线图;(b)电脑控制图

觉得这篇文章有帮助吗?