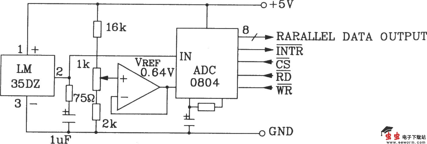
LM35DZ摄氏温度传感器构成温度量A/D转换为并行三态输出标准微机

📅 发布时间:2013-10-03 10:00 👁️ 浏览:0 🏷️ 标签: LM 35 DZ D转换

LM35DZ摄氏温度传感器构成温度量A/D转换为并行三态输出标准微机

LM35DZ摄氏温度传感器构成温度量A/D转换为并行三态输出标准微机接口数据总线电路

这类温敏器件被广泛应用于空调机、电冰箱、模糊控制电饭锅、电子开水器和其它精密温度控制场合。

觉得这篇文章有帮助吗?