
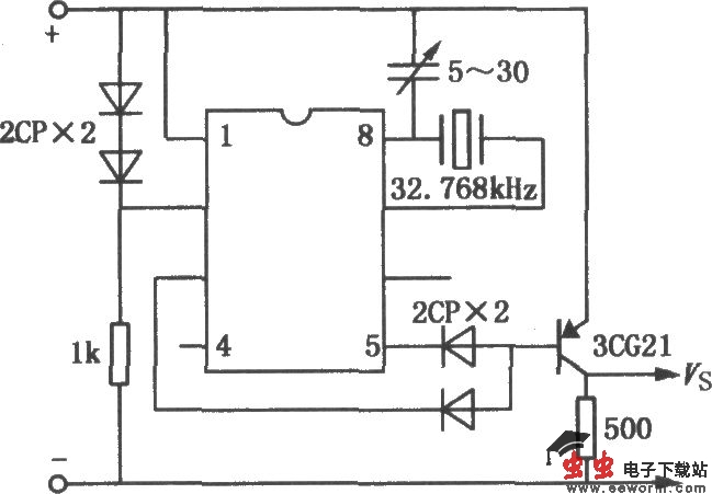
石英电子钟用的集成电路提供的脉冲信号准确性很高,因而它除了在石英电子钟中广泛使用外,还非常适用于时间基准电路及定时电路。如图所示就是用石英电子钟集成电路组成的秒脉冲信号发生电路原理图。集成电路的工作电压由2个整流二极管(2CP)的正向压降提供,电源可在1.5~15V之间选取。另外2个检波二极管(2CP)与三极管(3CG)组成与非门逻辑电路。在电路工作时,输出端(三极管集电极)可获得稳定准确的秒信号。电路的外围接了一个32.768kHz的石英晶体和一个作频率微调用的5~30pF可变电容器。石英电子钟集成电路可选用低频式时钟电路,如LH5544或LH5093等型号。