
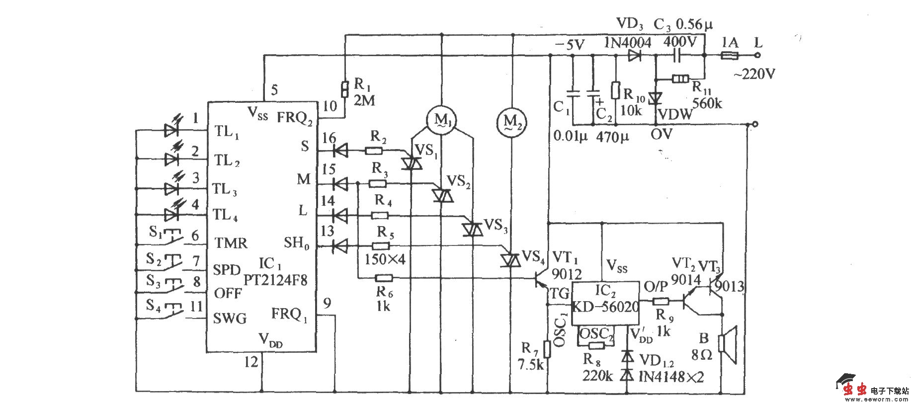
如图所示电路,在按压风速键启动风扇时,每次均是以中风启动。在M端(15脚)引出开机时的驱动信号,经R6加至VT1(PNP管)的b极,使VT1导通,其e极的低电平信号触发IC2。 IC2采用模拟动物叫声的集成电路KD-56020,一旦被触发,便将内碚的动物叫声信号播出,通过由VT2、VT3组成的达林顿型放大级放大,驱动扬声器B发声。KD-56020有四种动物叫声,选择不同的触发端,可分别发出小鸟、青蛙、蟋蟀和小鸡的模拟叫声。

如图所示电路,在按压风速键启动风扇时,每次均是以中风启动。在M端(15脚)引出开机时的驱动信号,经R6加至VT1(PNP管)的b极,使VT1导通,其e极的低电平信号触发IC2。 IC2采用模拟动物叫声的集成电路KD-56020,一旦被触发,便将内碚的动物叫声信号播出,通过由VT2、VT3组成的达林顿型放大级放大,驱动扬声器B发声。KD-56020有四种动物叫声,选择不同的触发端,可分别发出小鸟、青蛙、蟋蟀和小鸡的模拟叫声。