常用集成块制成的油炉控制电路

📅 发布时间:2013-09-30 17:20 👁️ 浏览:0 🏷️ 标签: 集成块 控制电路

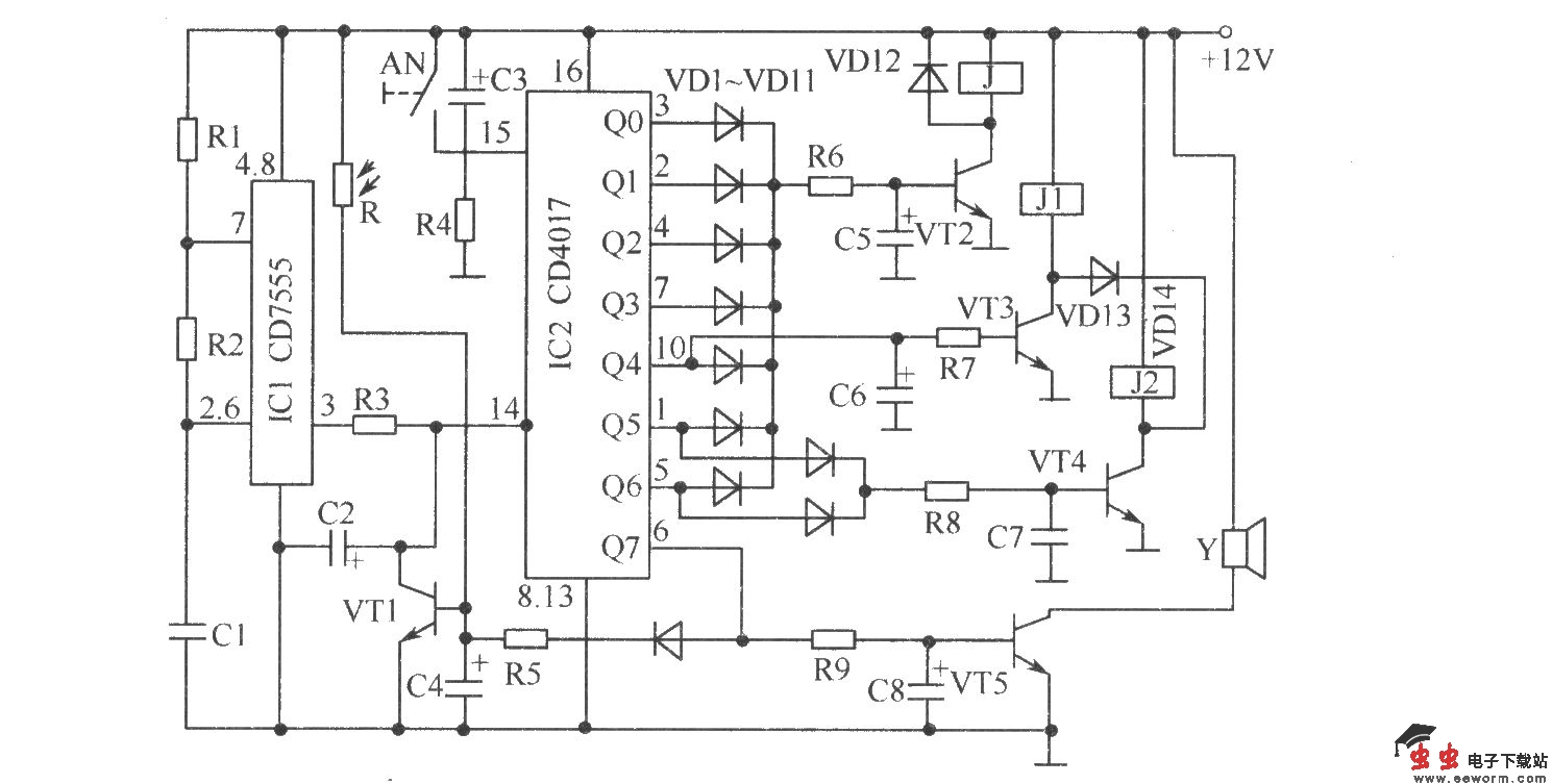
常用集成块制成的油炉控制电路

该电路适用于小型油炉作控制器。以前的小型油炉控制器所用的集成块均是专用集成块或单片机,中小城市较难购到,这给维修造成困难。该小型通用油炉控制器,具有性能可靠、结构简单、成本低、维修方便等特点,只要改变接线方式,即可适用于各种油炉。

觉得这篇文章有帮助吗?