六功能LED电子钟

📅 发布时间:2013-09-30 11:35 👁️ 浏览:3 🏷️ 标签: LED 电子钟

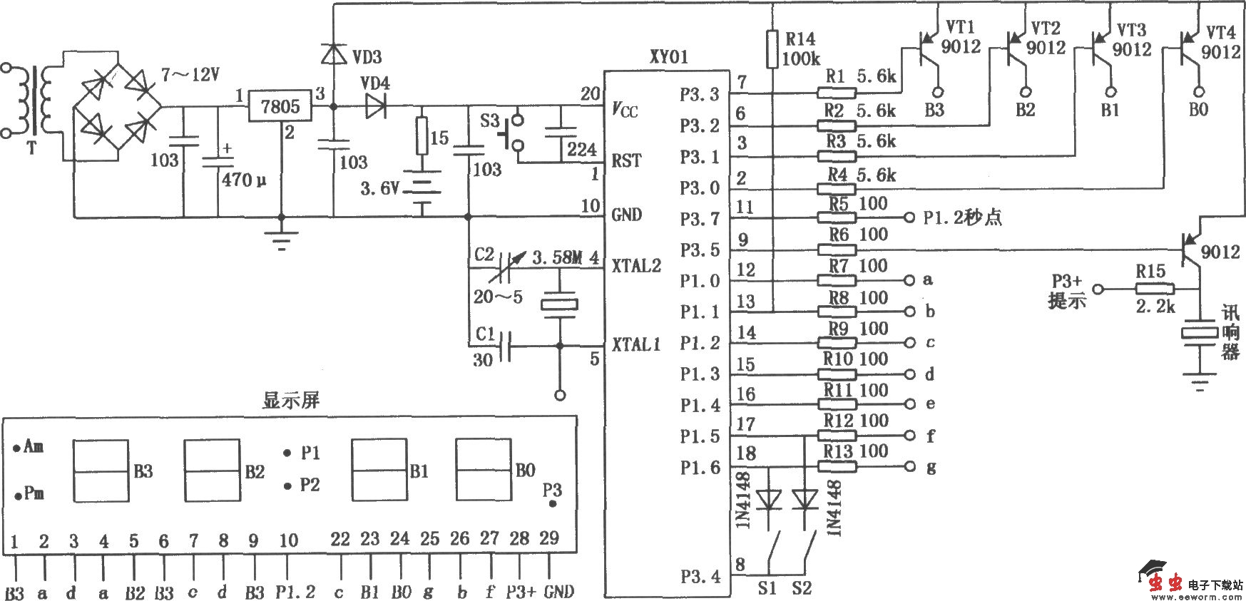
六功能LED电子钟

由XY01模块构成的六功能LED电子钟电路如图所示。它具有显示月、日、时、分、秒及闹铃等六项功能。

觉得这篇文章有帮助吗?