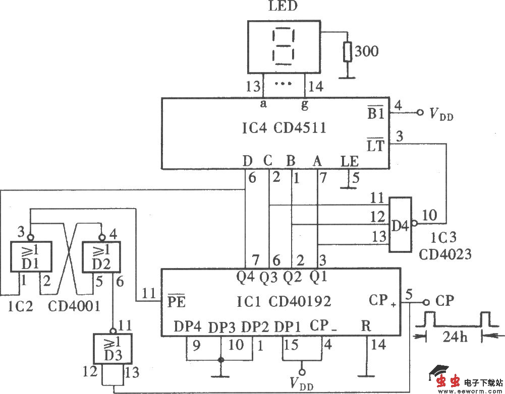
由CD4511、CD40192组成的星期历数显电路

📅 发布时间:2013-09-30 11:05 👁️ 浏览:0 🏷️ 标签: 40192 CD 4511 数显

由CD4511、CD40192组成的星期历数显电路

在一些功能完善的电子钟表中,常带有星期历。这种星期历除了钟表集成电路中自身设有这种功能外,还有采用数字电路另外增设的。星期历电路实际上是一种7进制计数电路,它完全可以用普通的数字集成电路来组成,而组成的方法也有多种。如图为采用加、减计数器与门电路相配合组成的星期历电路。

觉得这篇文章有帮助吗?