
上图所示是发射功率为1W的加密电视发射机电路。其输入信号为音视频信号,发射频道由调制电路中的SW声表面波谐振器决定。由摄像机,录像机、VCD等设备送来的视频信号送入发射机中加密模块的③脚,加密后由①脚输出加密视频信号,经TA7673组成的调制电路调制成射频信号后由VT1、VT2电压放大,VT3推动放大、VT4功率放大后,从天线发射出去。由于VTl~VT4采用宽带放大,其带宽为46~870MHz,因此功率放大和天线之间应使用带通滤波器,以阻止带外发射,进行阻抗匹配。
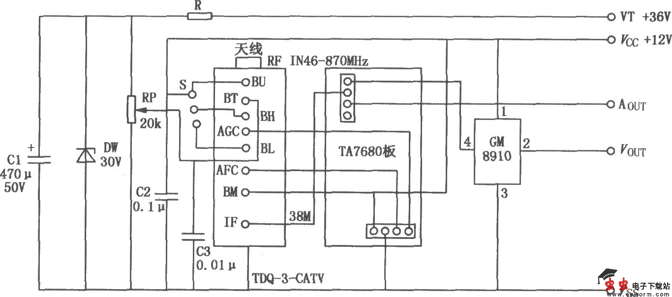
解密接收机由TDQ-3高频头、成品TA7680中放板、解密模块组成,如下图所示。接收机接收到发射信号,在高频头内进行变频后输出38MHz的中频信号,解调后输出音频信号和加密视频信号,再经过8910解密模块后得到视频信号进行监视收看。