无绳电话机的座机与本文介绍的控制电路组合在一起,便具有遥控器接收机的功能。用无绳电话机的手机作遥控器发射机,可控制电灯、电扇、电视机等家用电器的工作。
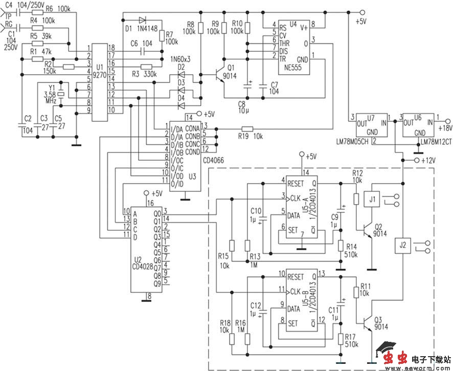
本控制器电路如右图所示,TP与RG端接电话外线,即本电路与座机并接。为防止拨打电话时产生误动作,电路中专门设计了以键的数码作为控制信号的接入码。U1(9270)是DTMF解码集成电路。需要控制某一电器的工作时,先按一下手机(发射机)的通话键,听到拨号音时再按作为接入码的*键,则含有*键代码信息的信号被座机接收,然后在电话线上传输,传输到本控制器输入端后,U1对该信号进行解码,其、、、脚输出代表*键的BCD码“1011”。D2、D3、D4组成与门电路,这时Q1基极为高电平,Q1导通,U4(NE555)脚输出高电平,打开U3(CD4066)内的四组电子开关,使U1的~脚分别与U2的A~D输入端接通。U2(CD4028)是十进制译码器,U2不能对“1011”码译码,这时其输出端Q0~Q9全为“0”。
U2的Q0~Q9端可接10路执行电路,分别对10路电器进行遥控,图中只画出两路,如虚线框内所示。如需要控制第1路电器工作,再按一下手机的“1”键,则U2的输入端DCBA=0001,Q1端输出高电平,使U5-B输出高电平,继电器J2吸合,第1路电器接通电源工作。同理,按*键和1键,可使第1路电器停止工作。
拨打电话时只要不按*键,所按数字键就不会使本控制电路动作,因为没有接入码输入。
U1也可选用9170或8870 DTMF解码电路。D2~D4可选用1N60型二极管,也可采用正向压降为0.3V的其他锗二极管。
实验点评:本文所介绍的电路非常新颖。经组装实验,原电路能够完成文中所述功能。此电路只能对用电器的电源开关进行遥控,适合于控制功能单一的用电器,如电灯、电热水器等。但如用作控制功能较多的用电器(如电视机),就显得不是那么实用。本电路及被控电器如做适当改进,增加控制功能,加强控制器的可靠性,那么还可实现家电的远程控制,甚至升华为目前热门的“网络家电”控制器。
