
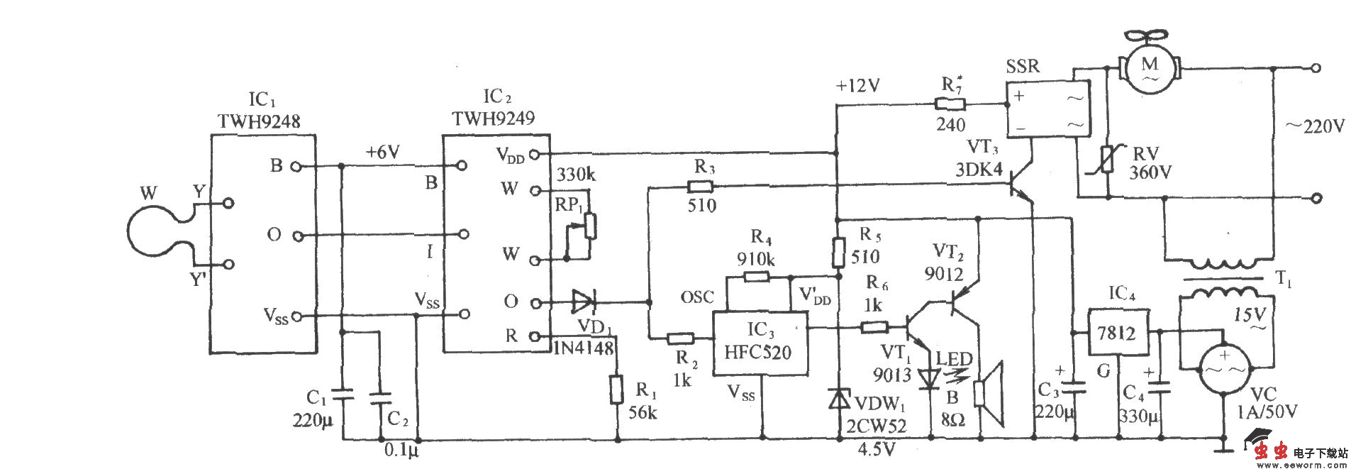
电路如图所示。它包括雷达式扫描探测配套集成模块、交流固态继电器控制风扇电路、音乐发声电路和直流供电电路等。当有人走近时,可自动启动电风扇吹风,并伴有海浪的涛声,人过后便延时几十秒后关闭。TWH9248/9249是两块配套的雷达式探测及处理集成模块,外接的W天线可同时完成微波发射和接收的功能,当有人进入天线的有效辐射区时,TWH9248就输出与行人移动速度成正比的电信号,TWH9249将该信号进行选通放大、比较处理和延迟后,在其输出端输出高电平的跳变信号。此高电平信号经VD1分两路输出,一路控制交流继电器;另一路触发海浪声发声集成电路IC3。