笔者利用市售几元钱一只的冰箱冰柜用定时器,经过电路改造后,改装到空调机器上效果很好,增加了原机的控制功能。将其应用到其他电器控制设备上,使用效果也部很好。
该定时器中使用的CD4541B集成电路,具有多种输出方式,应用时只需改变⑨脚输出选择端和⑩脚工作方式选择端高低电位,其输出端即可达到所需要求。
CD454lB各引脚说明和典型应用如上图。(1)、(2)、(3)脚为内部振荡电路外接阻容端,改变R、C值既改变内部振荡频率,也改变了输出端的高低电位变换时间。(4)、(11)脚为空脚,(5)脚为自动复位端。接地时上电自动复位,(6)脚为手动复位端,高电平有效,(7)脚接地端,(8)脚输出端,(9)脚为输出选择端,用来选择复位后的初始状态(O或1)。(10)脚为工作方式选择端,“O”
为选择单定时方式,“l”为选择循环工作方式,(12)、(13)脚为内部分频器编程输入端,在此与(14)脚共接电源,工作电压3~18V。
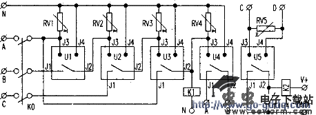
(9)脚接地、(10)脚接电源为循环工作方式,电容为1μF。(9)、(10)脚均接地为延时开电路,电容为2200μF。(9)脚接电源、⑩脚接地为延时关电路,电容为2200pF。改装实例及方框图见下图。用三只定时器改造后串联使用。使其成为来电显示、缺相保护、来电延时,延时时间为三只总和大于5分钟。定时器的J3、J4脚为AC220V输入,Jl、J2脚为室外机主继电器辅助接点。
用一只定时器改造后成为延时关断,延时时间2秒左右,并接至室内机面板启动开关上用作来电自启动。四只定时器Ul—U4输出串联成顺序工作方式。只要其中一只不工作整机便不能工作。另用一只定时器U5不改装,但应将继电器输出接点与电源公共端断开,将其接到室内机电源端和风机电路及室外机主继电器上,使室内风机成为连续和间断工作方式,以减少风机的机械磨损。
由于该定时器电路与典型应用电路略有不同,改装时应在每只定时器220V电源端并接上压敏电阻。
.U5原理说明:当室外机主继电器吸合、压缩机工作时KJ-4辅助接点吸合,室内风机继电器吸合、风机连续工作,压缩机停机后K1-4断开,室内风机受定时器控制时开时停间断工作。
其中:A、B、C为三相380V/50Hz电源;N为零线;K0:三联空气开关;U1~U4:改装后的定时器;U5为定时器,开5~120分钟,停5~120分钟可调;K1室外机主继电器线圈;K2室内风机继电器线圈;Ul~U4。A、B接室内机面板启动开关;C、D接室内机220V电源;V+与GND为室内机电路板电源;RVl~RV5为压敏电阻。

用CD4541B构成的定时集成电路
觉得这篇文章有帮助吗?