用CD4017、CD4518、CD4511组成的数字式电子钟电路

📅 发布时间:2013-09-25 03:55 👁️ 浏览:3 🏷️ 标签: CD 4017 4518 4511

数字式电子钟电路(CD4017、CD4518、CD4511)

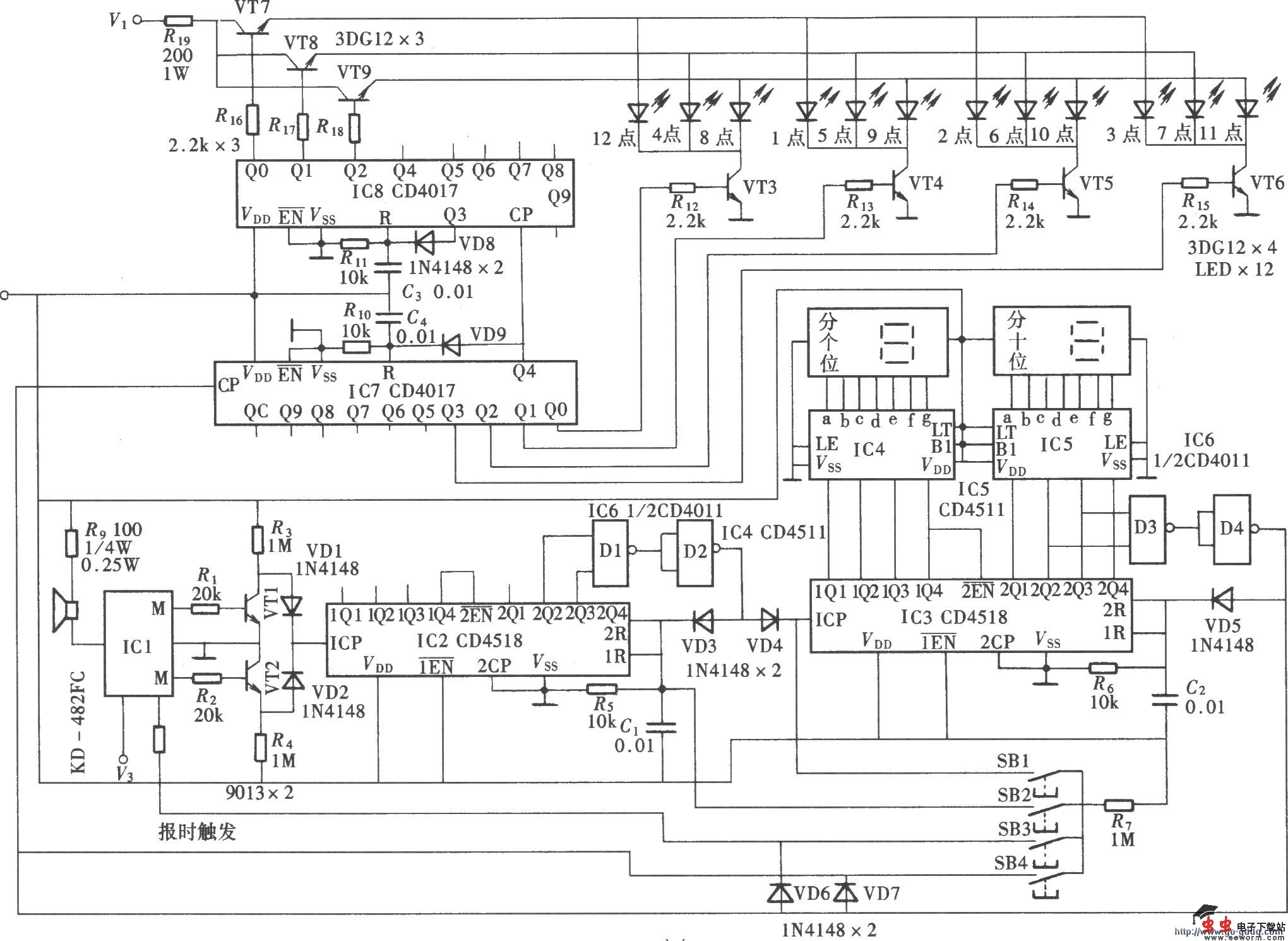
如图所示的数字式电子钟电路采用电子钟表专用集成电路KD482FC做秒时基信号,通过数字电路多级分频后,分别形成分和时输出。其中分的显示采用LED数码管;而时的显示则是模仿机械指针式钟表的表盘结构形式,通过发光二极管在表盘上的位置来显示的。它计时准确,形式新颖,很适合业余爱好者仿制,其电路组成如图所示。电路由秒时基信号形成电路、分时间形成与显示电路和时形成与显示电路组成。其电源电路如下图所示。

数字式电子钟电路(CD4017、CD4518、CD4511) 

觉得这篇文章有帮助吗?