⭐ 欢迎来到虫虫下载站!
|
📦 资源下载
📁 资源专辑
ℹ️ 关于我们
⭐ 虫虫下载站
🔐
登录
📝
注册
虫虫下载站
专业电子工程师资源平台
📤 上传资源
🏠 首页
📦 资源下载
📁 资源专辑
🔧 热门软件
⭐ 精品资源
🎓 基础知识
📐 电路图
📚 电子书
🔢 在线计算器
🔍 代码搜索
🏠 首页
›
电路图
›
遥控控制
›
电动单梁吊车遥控器
电动单梁吊车遥控器
📅 发布时间:
2013-08-19 06:00
👁️ 浏览:
0
🏷️ 标签:
电动单梁
吊车
遥控器
电动单梁吊车又称电动葫芦,是工厂里常用的小型起重搬运设备,通常总是采用拖线开关操作,很不方便。该电路用无线电遥控组件TWH9236/38组成无线电遥控操作电路,如图所示。遥控发射器为成品件,即TWH9236,其内部原理图如下所示
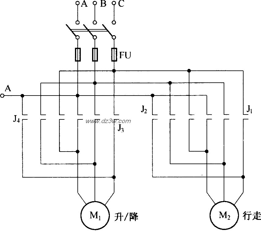
遥控接收控制电路如下所示:
觉得这篇文章有帮助吗?
👍 来顶一下 (
81
)
🔐 用户登录
×
加载中...
加载登录表单中...
🎁
免费注册送10积分
×
加载中...
加载注册表单中...
🔑 找回密码
×
加载中...
加载表单中...
🔐
需要登录
×
🔒
登录后即可使用!
🎁
新用户注册立即送10积分
积分可用于下载资源,免费获取优质技术资料
🚪
退出登录
×
👋
确认要退出登录吗?
退出后需要重新登录才能下载资源