⭐ 欢迎来到虫虫下载站!
|
📦 资源下载
📁 资源专辑
ℹ️ 关于我们
⭐ 虫虫下载站
🔐
登录
📝
注册
虫虫下载站
专业电子工程师资源平台
📤 上传资源
🏠 首页
📦 资源下载
📁 资源专辑
🔧 热门软件
⭐ 精品资源
🎓 基础知识
📐 电路图
📚 电子书
🔢 在线计算器
🔍 代码搜索
🏠 首页
›
电路图
›
遥控控制
›
多功能吊扇遥控调速电路
多功能吊扇遥控调速电路
📅 发布时间:
2013-08-19 05:30
👁️ 浏览:
2
🏷️ 标签:
多功能
吊扇
遥控
调速电路
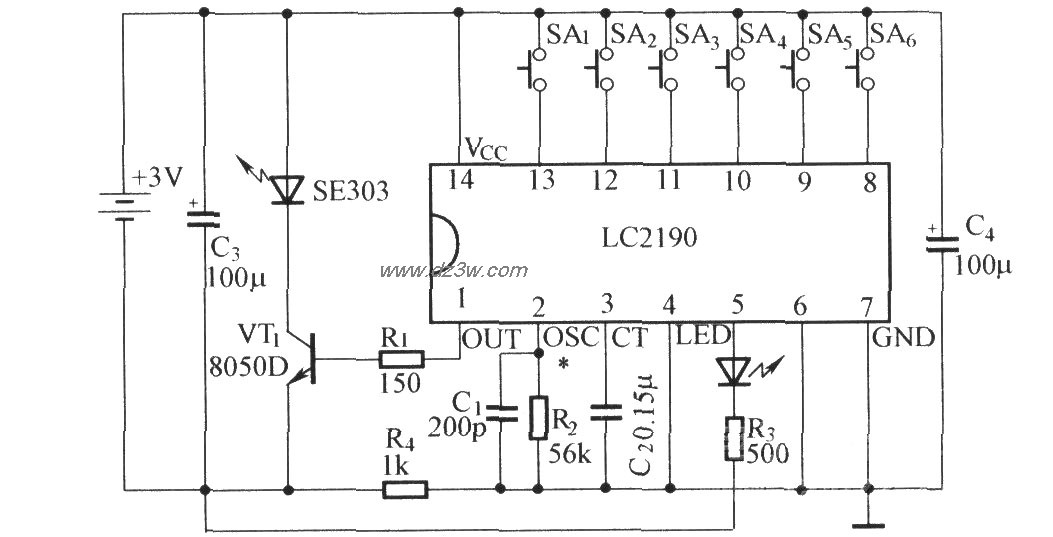
此电路由以下几部分组成(1)由CX20106和 LC2200组成红外接收与通道译码电路.(2)由可预置加减计数器电路,可控硅触发电路和计数译码显示电路组成(3)由可控硅触发管VT5与它的基极控制电阻网络R13~R16组成.当然,此电路的应用需要红外发射器,如下图所示
觉得这篇文章有帮助吗?
👍 来顶一下 (
18
)
🔐 用户登录
×
加载中...
加载登录表单中...
🎁
免费注册送10积分
×
加载中...
加载注册表单中...
🔑 找回密码
×
加载中...
加载表单中...
🔐
需要登录
×
🔒
登录后即可使用!
🎁
新用户注册立即送10积分
积分可用于下载资源,免费获取优质技术资料
🚪
退出登录
×
👋
确认要退出登录吗?
退出后需要重新登录才能下载资源