⭐ 欢迎来到虫虫下载站!
|
📦 资源下载
📁 资源专辑
ℹ️ 关于我们
⭐ 虫虫下载站
🔐
登录
📝
注册
虫虫下载站
专业电子工程师资源平台
📤 上传资源
🏠 首页
📦 资源下载
📁 资源专辑
🔧 热门软件
⭐ 精品资源
🎓 基础知识
📐 电路图
📚 电子书
🔢 在线计算器
🔍 代码搜索
🏠 首页
›
电路图
›
遥控控制
›
红外线遥控电路(TR1300/
红外线遥控电路(TR1300/
📅 发布时间:
2013-08-19 05:30
👁️ 浏览:
1
🏷️ 标签:
1300
TR
红外线
遥控电路
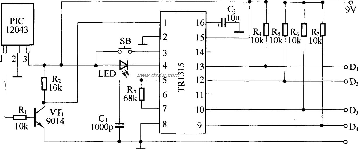
和数字编码电路一样,跳码编码电路所输出的编码也可通过红外线或无线电波进行传送。在接收端,通过接收、解调电路对所接收到的调制信号进行放大、解调后,由跳码解码芯片将通道数据解出后输出,通过控制执行电路去控制相应的电路。如图所示是由跳码芯片TR1300/1315与红外线遥控接收模块PIC12043组成的红外线遥控电路。遥控发射电路:
红外接收解调解码与输出电路:
觉得这篇文章有帮助吗?
👍 来顶一下 (
100
)
🔐 用户登录
×
加载中...
加载登录表单中...
🎁
免费注册送10积分
×
加载中...
加载注册表单中...
🔑 找回密码
×
加载中...
加载表单中...
🔐
需要登录
×
🔒
登录后即可使用!
🎁
新用户注册立即送10积分
积分可用于下载资源,免费获取优质技术资料
🚪
退出登录
×
👋
确认要退出登录吗?
退出后需要重新登录才能下载资源