BA5104/5204是一种新型8通道红外遥控发射/接收专用集成器件。其特点是用它构成的遥控电路外转元件少,工作可靠通用性好,成本低,无须调试,最适合于专业厂家开发新产品和广大电子爱好者制作各种红外遥控电路。由于它采用大规模CMOS工艺制成,因此器件本身耗低,电源电压范围宽(2.2V时仍能正常使用)适用范围广。

BA5104外形引脚图

BA5204外形引脚图BA5104/5204红外发射/接收集成电路由于采用了大规模CMOS工艺制成,因此其工作电压范围宽,功耗小。其极限工作条件为: 电源电压:-0.3~ 6V;输入/输出电压:(Vcc-0.3V)~(VDD 0.3V);消耗功率:500mW;工作温度:-10~ 70℃;存储温度:-40~ 125℃。发射芯片BA5104可以发射6个持续信号和2个单次信号,这样它就具有8个独立通道的遥控编码能力。接收芯片BA5204可译出由BA5104发射出的编码信号,并使相应的输出端按预定的程序工作。下图为BA5104S构成的通用红外遥控发射电路。

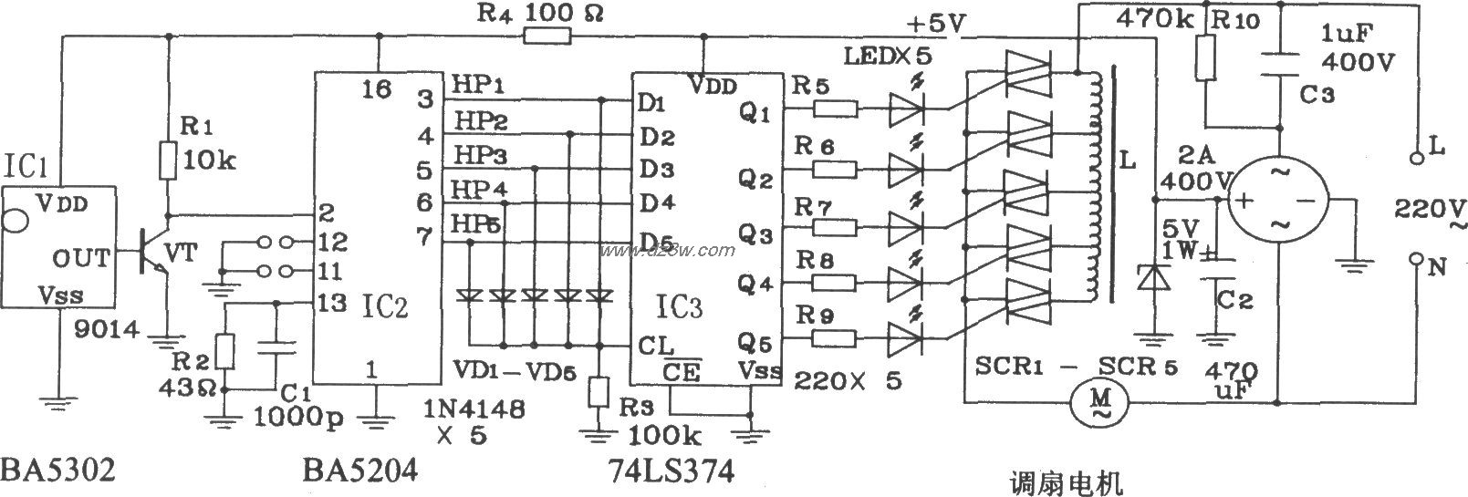
下图是由BA5204构成的家用吊扇红外遥控接收应用电路:

BA5104/5204红外遥控发射
觉得这篇文章有帮助吗?