
KD-12E外形引脚图

KD-12D
KD-12(F) 电气参数: 由于KD-12E/KD-12D(F)均采用CMOS工艺制造,因此工作电压范围宽,功耗低。其典型工作电压范围为2~5V,静态电流(无振荡)为0.1~1μA。由于A8/D8~A11/D11用于控制码输入,因此256种编码中每种内又能有16种子密码,通过人为设置可完成不同的控制功能。在发射/接收电路中一般取接收编码电路振荡频率为发射电路振荡频率的50倍。

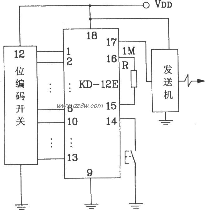
KD-12E构成4096路单一功能遥控应用电路

KD-12D构成4096路单一功能遥控发射/接收应用电路
KD-12E构成4096路单一功
觉得这篇文章有帮助吗?