视频监视器电路
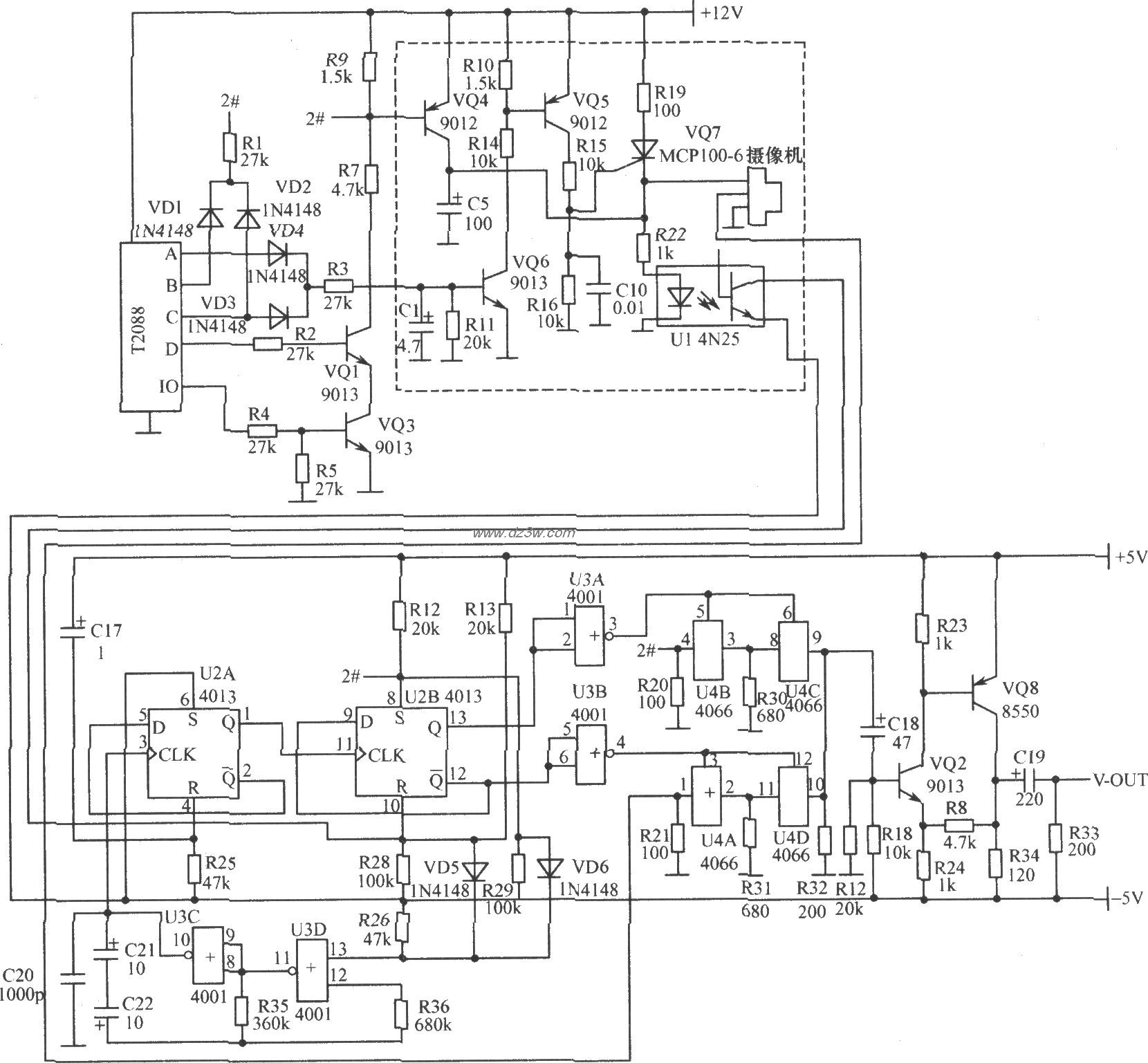
该监视器无线遥控电路部分采用T2078接收组件,并配以100m四键发射手机。遥控手机有四个按键,按一下A键时,1号摄像机工作,其视频信号通过控制电路、电缆等送显示器显示1号监视点情况;按一下B键时,2号摄像机工作,并在显示器上显示2号监视点情况;按一下C键时,1号、2号摄像机同时工作,两路视频信号在视频控制电路的开关作用下分时送达显示器,交替(每路8s)显示1号、2号监视点情况;按一下D键时,摄像机停止工作。显示器工作与否直接由视频信号控制,即:无视频信号输入时,显示器不加电,有视频信号输入时,显示器电源自动接通,这样既可省电,又能延长显示器工作寿命。整机由电源、摄像控制、显示控制、视频控制及信号补偿四部分电路组成。(1)电源
(2)摄像、视频控制及信号补偿电路
(3)显示控制电路
视频监视器电路
觉得这篇文章有帮助吗?