超声波遥控调光灯电路

📅 发布时间:2013-08-19 03:30 👁️ 浏览:1 🏷️ 标签: 超声波 调光灯 电路 遥控

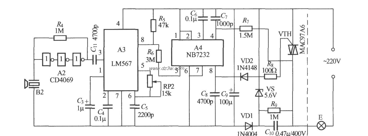
超声波遥控调光灯电路
超声波发射器电路:
超声波遥控调光接收器电路:
B1、B2分别采用配套的TCT40-12F2与TCT40-12F2型压电陶瓷超声波换能器。

 


觉得这篇文章有帮助吗?