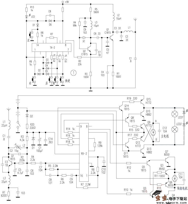
图1为遥控电路,当某控制脚接地后,此脚所对应的功能选通,并由锁存电路锁存,锁存信号控制编码电路进行编码,产生对应控制功能的编码信号。由Q2及XT等产生的载波信号受到从{8}脚输出的编码信号的调制后,再经Q1放大发射。{7}脚为带载波编码信号输出端,{8}脚为不带载波编码信号的输出端。TX-2中的R7为振荡电阻,LED为电源兼发射指示灯。

图2为接收机电路,在发射端发出的高频信号经接收天线接收,Q1、L2、C2、C3等构成的超再生接收电路,L2、C2为并联谐振回路,其作用是选频,C3为超再生正反馈电容,调整L2可改变接收频率。R1、R2、C5决定超再生的熄灭电压。接收信号经R4、C7送入译码电路RX-2的{14}脚进行放大,放大后的信号由{1}脚输出经R8送入译码信号输出端{3}脚进行译码。当译码电路将收到的信号译码后,若是前进信号,则{11}脚输出高电平,Q11导通→Q12、Q13分别导通,+4。5V等经Q12→MA→MB→Q13→地,电机正转,车子前进,其他功能依此类推,不再赘述。R9为振荡电阻。RX-2中的{6}、{7}、{10}、{11}、{12}脚分别为右转、左转、后退、前进、加速等功能的输出端。R20、D1、C1、C14组成简单的稳压电路,为RX-2提供稳定的工作电压,D2为隔离二极管。
为使该车更加美观逼真,如图2中所示。用两只小灯泡,两只LED按图安装,小灯泡作遥控车的前大灯使用,LED为倒车灯。当车子前进时,大灯亮,LED反偏不亮;倒车时在前大灯亮着的同时,LED为正偏也亮起来作倒车灯使用。夜晚玩车时,更为有趣。