电力载波遥控报警器(二)

📅 发布时间:2013-10-11 13:15 👁️ 浏览:4 🏷️ 标签: 电力载波 遥控报警
这里介绍的报警器无需外接传需线路,靠电力线路传需报警信号。并可设置多处报警点以对某点警情进行声、光报警。用途广泛。

工作原理:

         该报警器由发射和接收显示两部分组成。反射电路原理如图1所示。它是由两块555时基电路组成的两个不同频率的振荡电路。当CK两端短路时(短路式报警探头信号),第一块(IC1)555构成低频振荡电路,频率F1主要由C1、R2决定,3脚输出频率为F1的低频信号。当IC1的3脚输出高电平时,第二块(IC2)555构成的高频振荡电路工作,其振荡频率F2主要由C3、R4决定,且F2远大于F1,这样在IC2的3脚输出为F2的脉冲调制信号。该调制信号通过由V1、T、C5、C6组成的驱动电路在电力线上产生高频调制脉冲,高频调制脉冲电压由传输距离选择。

 

图 1

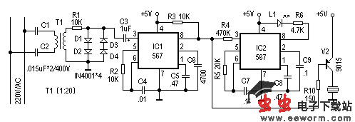
接收显示电路原理如图2所示。它由多个频率识别电路组成。当电力线路上有报警的高频调制脉冲出现时,通过T1升压变压器的变压及限流电阻R1和D1~D4的限幅将信号送入第一个频率锁相环模块(IC1)567的3脚,再由该频率锁相环所组成的频率识别电路(R2、C4)决定识别频率值。然后在IC1的输出端8脚便可接调出频率为F1的低频频率。该输出频率一路送至V2组成的驱动电路以驱动蜂鸣器HD工作以产生声音报警;另一路送至第二个频率识别电路(IC2)。同理,调整R5、C7的数值,使第二个频率解调电路能接调出F1的频率,则(IC2)输出8脚由高电平,L1发光即表示出该发射电路的方位出现警情。

 

图 2

元件选择及电路调整:

图1和图2中的升压变压器采用小型音频变压器,其匝比为1:20。图1中的驱动管V1选用BU506功率开关管(输出电流为500mA)。图1的C5、C6和图2的C1、C2必须选用耐压值大于400V的电容器。图1中的CK用于连接报警探头;HD选用电压为5V的成品蜂鸣器。

由于整机电路与电力线连接,在调整发射电路的频率和接收电路的频率接调时应特别注意安全。该报警器仅适用于电力线在同一个变压器的范围,此时传输距离可到3Km

觉得这篇文章有帮助吗?