遥控检测器的电路原理图

📅 发布时间:2013-10-11 01:40 👁️ 浏览:6 🏷️ 标签: 遥控 检测器 电路原理图
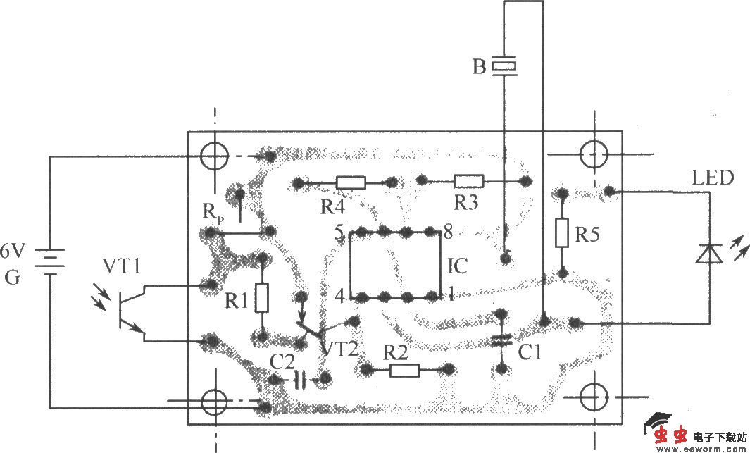
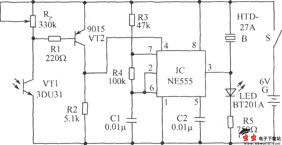
要快速判断遥控发射器的好坏,可使用如图所示的遥控检测器。如被检测的遥控发射器是好的话,它会即刻发出声光报警信号。该检测器可用于检测各种型号的彩电、录像机,组合音响、空调的遥控发射器好坏,使用起来非常方便。电路原理:如图所示是该检测器的电路原理图。由IC、R3和R4、C1组成一个音频振荡器,其振荡频率由公式f=1.443/(R3 2R4)C1进行估算。该电路音频设置在580Hz左右。 平时,光敏三极管VT1没有受到光的作用时,其内部电阻很大,使得VT2截止,且IC的复位端4脚为低电平而处于主复位状态,3脚为低电平,故使电路不发出声光信号。当按下被测红外线遥控发射器的任意一个遥控键时,其红外脉冲信号被VT1接收,使得VT1内部电阻很小,相应VT2导通,IC的4脚为高电平,这时IC处于音频振荡工作阶段,则3脚输出音频信号,故使压电陶瓷片B发出声音,且LED被点亮。元件器选:IC使用单时基555集成电路NE555,亦可用FX555、μA55、5G1555等型号。VT1为3DU31型光敏三极管。VT2选用放大倍数β>>100的硅PNP型晶体三极管9015。LED选用声Φ3mm的普通红色发光二极管,也可用声Φ5mm的发光二极管。电源G使用6V叠层电池,以缩小其体积。B选择压电陶瓷片HTD-27A。制作与调试:下图是该检测器的印制电路板装配图。光敏三极管VT1的受光部分不要露出机壳外,以距离机壳2mm--5mm为宜,并在VT1的受光孔处设置红色滤光塑料片,以免环境光线照射在VT1上,而造成误报。为提高B的发声响度,应给压电陶瓷片设置助音腔。调试时,先把RP调到最小阻值,再把遥控发射器对准红外接收管VT1,且按下遥控器某一个按键,然后调整RP的阻值,使其本检测器刚好发出声光信号即可。
觉得这篇文章有帮助吗?