电力载波遥控报警器电路图

📅 发布时间:2013-10-09 03:45 👁️ 浏览:0 🏷️ 标签: 电力载波 遥控报警 电路图

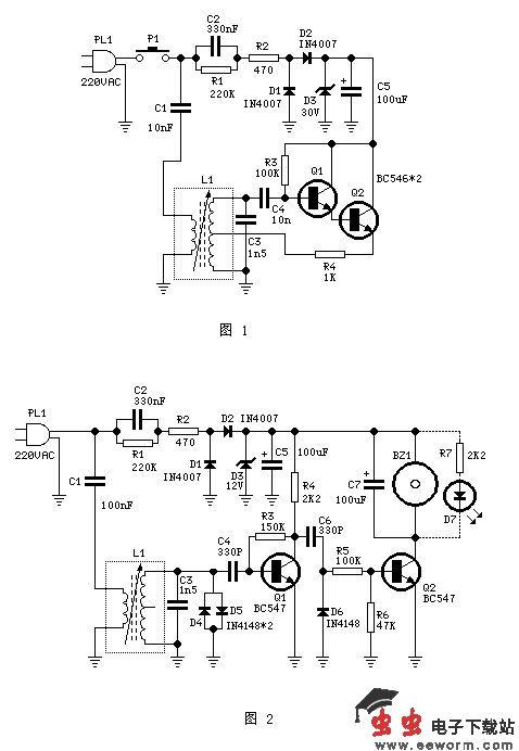
制作、调试要点
  1. 调试时需仔细调节发射和接收部分L1的磁芯,保证在发射和接收部分的C3两端获得最大输出。
  2. 有条件时在拉开距离调试时最好能用示波器观察此时彼此发射和接收的波形。
  3. 如果L1都采用455KHz的中波收音机的中周,在磁芯全部调到最低部时应获得135KHz左右的输出频率。
  4. 如果采用其它谐振频率类似的L1时,则必须同时调节发射和接收部分的C3,一般为1~3.3nF。
  5. 输出部分可是蜂鸣器或LED或两者同时使用。如果只用LED,可将R7改为1K,可增加其亮度。可采用直径为10mm的LED。
  6. 在选择元器件时,注意发射和接收部分C1、C2的耐压值必须大于400V,L1可采用一般中波收音机用的中周,其它元件无特殊要求可参考图1、图2选择。
  7. 由于电路部分直接与220伏电源相联,所以调试时要特别注意,避免直接与电路部分接触,以免电击。该装置投入使用前电路部分应置于绝缘可靠的塑料盒内并确保安全可靠方可使用。

觉得这篇文章有帮助吗?