⭐ 欢迎来到虫虫下载站!
|
📦 资源下载
📁 资源专辑
ℹ️ 关于我们
⭐ 虫虫下载站
🔐
登录
📝
注册
虫虫下载站
专业电子工程师资源平台
📤 上传资源
🏠 首页
📦 资源下载
📁 资源专辑
🔧 热门软件
⭐ 精品资源
🎓 基础知识
📐 电路图
📚 电子书
🔢 在线计算器
🔍 代码搜索
🏠 首页
›
电路图
›
遥控控制
›
加装的VCD机遥控开、关机电路
加装的VCD机遥控开、关机电路
📅 发布时间:
2013-10-08 22:15
👁️ 浏览:
1
🏷️ 标签:
VCD
遥控
关机电路
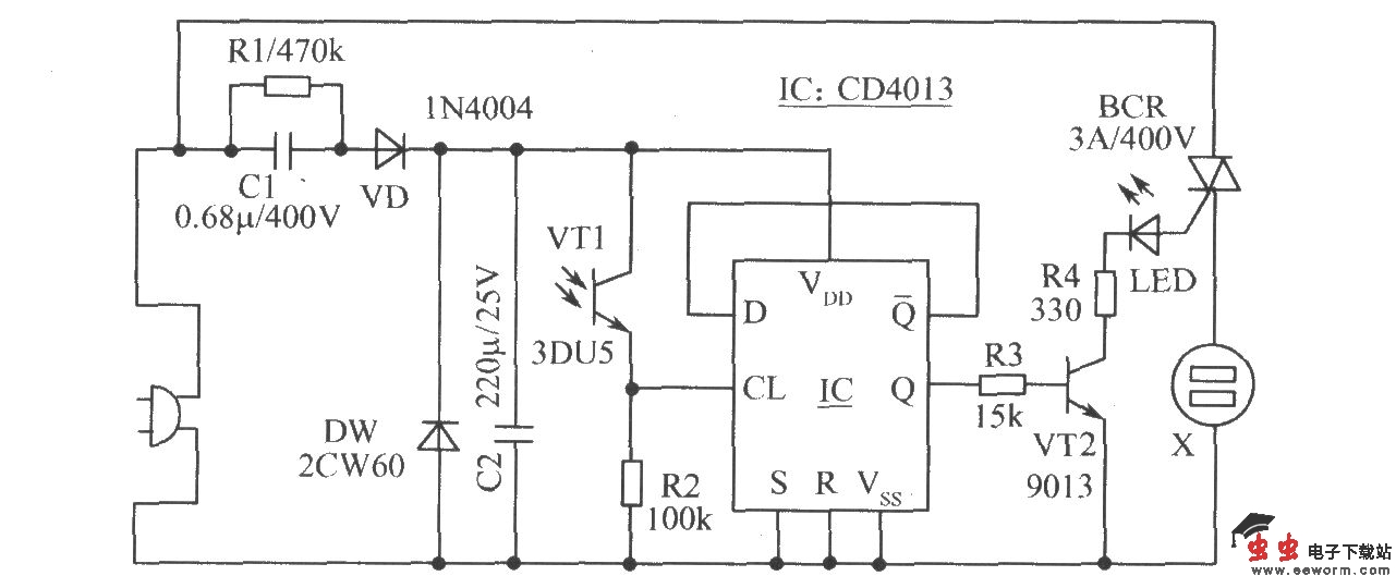
光盘机的遥控功能很多,但通常没有遥控开机关机功能,而且其电源线较短。如图所示为给光盘机(以VCD为例)增加机外型遥控开机关机功能电路。元器件选择;IC选用CMOS双D触发器CD4013。VT1选用3DU5光敏三极管。VT2选用9013等NPN型硅管,β>100。BCR选用3A400V双向晶闸管,如TLC226等。LED选用Φ5mm红色发光二极管,型号不拘。X选用市售二眼220V,10A平板暗插座。其余元件如图所示。
觉得这篇文章有帮助吗?
👍 来顶一下 (
24
)
🔐 用户登录
×
加载中...
加载登录表单中...
🎁
免费注册送10积分
×
加载中...
加载注册表单中...
🔑 找回密码
×
加载中...
加载表单中...
🔐
需要登录
×
🔒
登录后即可使用!
🎁
新用户注册立即送10积分
积分可用于下载资源,免费获取优质技术资料
🚪
退出登录
×
👋
确认要退出登录吗?
退出后需要重新登录才能下载资源