煤气泄漏报警器电路

📅 发布时间:2013-10-08 08:25 👁️ 浏览:2 🏷️ 标签: 煤气 泄漏报警器 电路

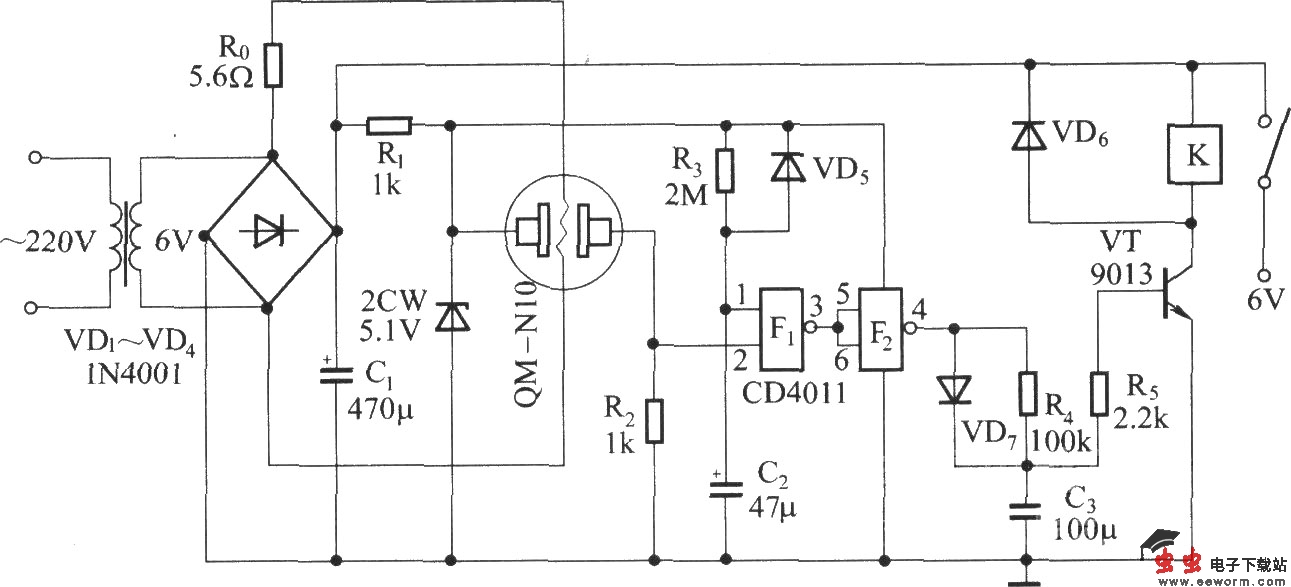
本电路图所用到的元器件:

CCD4011 9013

用气敏传感器可以组成煤气泄漏无线电遥控报警器,当煤气泄漏超过所设定的安全标准浓度时,气敏传感器输出检测信号,通过放大、处理后接通无线电发射电路发出报警信号。

如图所示是由气敏传感器QQM-N10组成的煤气泄漏无线电遥控报警器,当煤气泄漏超过规定标准时,继电器K吸合,接通无线电发射电路的工作电源。本报警器的发射电路在图中未画出,它可采用任何一种无线电发射电路。

觉得这篇文章有帮助吗?