超声波遥控延迟灯接收器

📅 发布时间:2013-10-02 17:20 👁️ 浏览:1 🏷️ 标签: 超声波 延迟 接收器 遥控

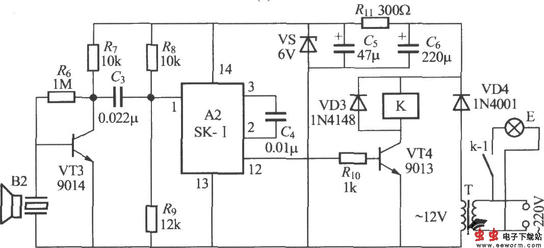
超声波遥控延迟灯接收器

如图所示是一个采用超声波作为遥控指令的延迟灯电路,使用时只要按一下超声波遥控发射器(见下图),电灯即点亮。延迟1min左右,灯会自行熄灭,它非常适宜夜间临时起床时使用。

超声波遥控延迟灯接收器

B1、B2采用配套的UCM-T40与UCM-R40压电陶瓷超声波发射与接收换能器。

觉得这篇文章有帮助吗?