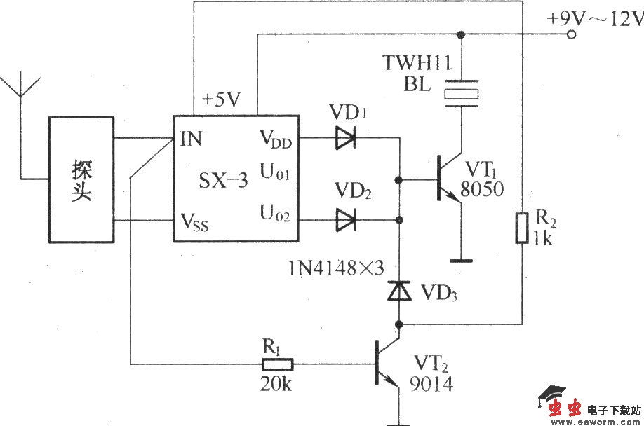
由SX-3组成的遥测报警器

📅 发布时间:2013-10-02 09:20 👁️ 浏览:0 🏷️ 标签: SX 遥测 报警

由SX-3组成的遥测报警器

 

SX-3型人体感应开关是根据多普勒效应来工作的微波控制组件。它采用板式结构,其外形尺寸为l00mm×50mm,其探头和信号处理部分可以裁成两个部分,便于遥控探测时使用,可用于报警器、自动门、自动灯、自动语音等自动控制装置.

觉得这篇文章有帮助吗?