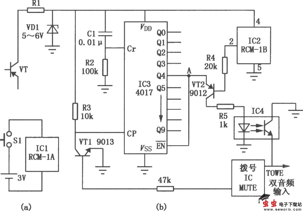
无线遥控电话锁

📅 发布时间:2013-10-02 06:50 👁️ 浏览:0 🏷️ 标签: 无线遥控 电话锁

无线遥控电话锁

本电话锁的钥匙采用遥控器的形式,遥控器由家中的主人或办公室负责人掌管,开锁的执行装置安装于被控电话机内,只有按下遥控器上的按键,电话锁才被开启,电话号码才能拨出。但“119”、“110”、“120”等三位号码的公益电话不受电话锁的限制,对外来电话的接听也没有影响。本电路无需外接电源,也不使用机械锁,因而具有一定的实用价值。

觉得这篇文章有帮助吗?