
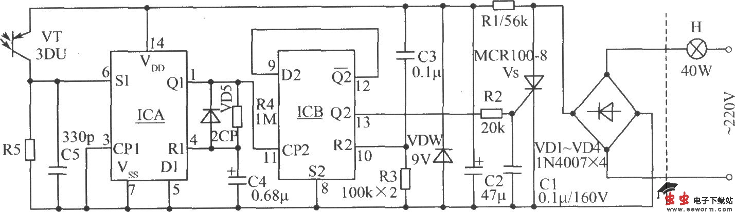
如图所示为激光遥控电灯电路。虚线左侧为遥控电灯开关电路,220V交流电源由VD1~VD4作桥式整流,R1降压,C2滤波,VDW稳压得到9V直流电供给控制电路工作电压。 ICA、ICB为双主一从D型触发器CD4013,ICA、ICB分别为其中的一个D型触发器,每个D型触发器都有独立的数据输入端D、置位端S、复位端R、时钟输入端CP以及输出端Q和Q。C3、R3的作用是刚接通电源时,在ICB的R2端产生一瞬间高电平,使ICB复位,Q2为低电平,单向晶闸管VS截止,灯泡H熄灭。ICA与外围元件组成单稳触发电路,ICB与外围元件组成双稳态触发电路。要开灯时,用玩具激光枪照射一下光敏三极管VT,VT的阻值变小,使ICA的置位端S1得一高电平脉冲,Q1变为高电平,此高电平加至ICB的CP2端,ICB触发翻转,Q2输出高电平,VS控制极得到触发电压而导通,灯泡H点亮。R4、CA的作用是在Q1输出高电平时,约经0.5s后,ICA复位,Q1又变为低电平,以便为下一次工作做准备。如果要关灯,只需用玩具激光枪再照射一下VT即可,此时Q1又输出一高电平,IC1B又一次翻转,Q2变为低电平,VS截止,灯泡H熄灭。