LC2200构成收录机音量遥控控制电路图

📅 发布时间:2013-09-30 06:05 👁️ 浏览:1 🏷️ 标签: 2200 LC 收录机 控制电路图

LC2190/2200遥控编码发射/接收专用集成电路是LC219/220A的改进型。它增加了译码和误码识别重复比较功能,因此可有效地防止误码动作。

LC2200构成收录机音量遥控控制电路图 

LC2190外形引脚图

LC2200构成收录机音量遥控控制电路图 

LC2200外形引脚图

LC2200构成收录机音量遥控控制电路图 

LC219内部原理框图

LC2200构成收录机音量遥控控制电路图 

LC2200A内部原理框图 主要电气参数 LC2190发射芯片工作振荡频率为80kHz;输入占空比为1:1、f=40kHz的方波脉冲;输出脉冲串之间的重复频率由CT端所接电容决定,一般为3~5Hz;工作电压范围为2.5~3.5V,典型值为 3V;静态电源电流小于1μA,输出可驱动***率晶体管而获较大的发射电流。LC2200接收芯片电源电压范围为3~9v,典型值为 5V;静态电源电流小于5μV;每路输出驱动电流IoH≥2mA,10L≥1mA,可直接驱动NPN晶体管、LED及小功率可控硅。

LC2200构成收录机音量遥控控制电路图 

LC2190构成红外发射电路

LC2200构成收录机音量遥控控制电路图 

连续键变成单次按键电路

LC2200构成收录机音量遥控控制电路图 

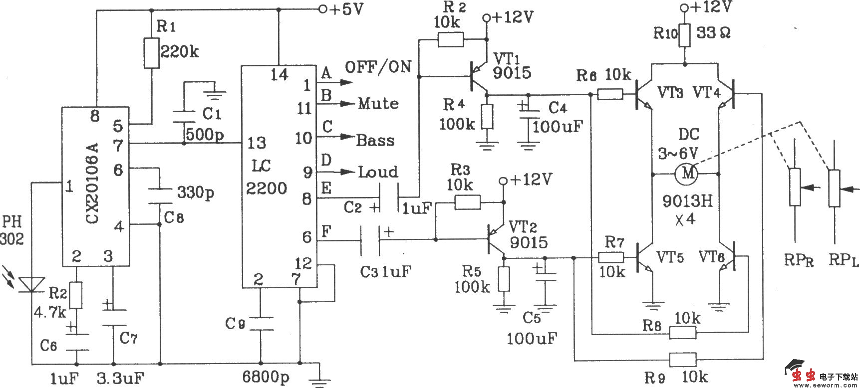
LC2200构成收录音量遥控控制电路

觉得这篇文章有帮助吗?