陶瓷晶体检测仪(CD4553、CD4040、CD4543)

📅 发布时间:2013-09-30 06:10 👁️ 浏览:2 🏷️ 标签: CD 4553 4040 4543

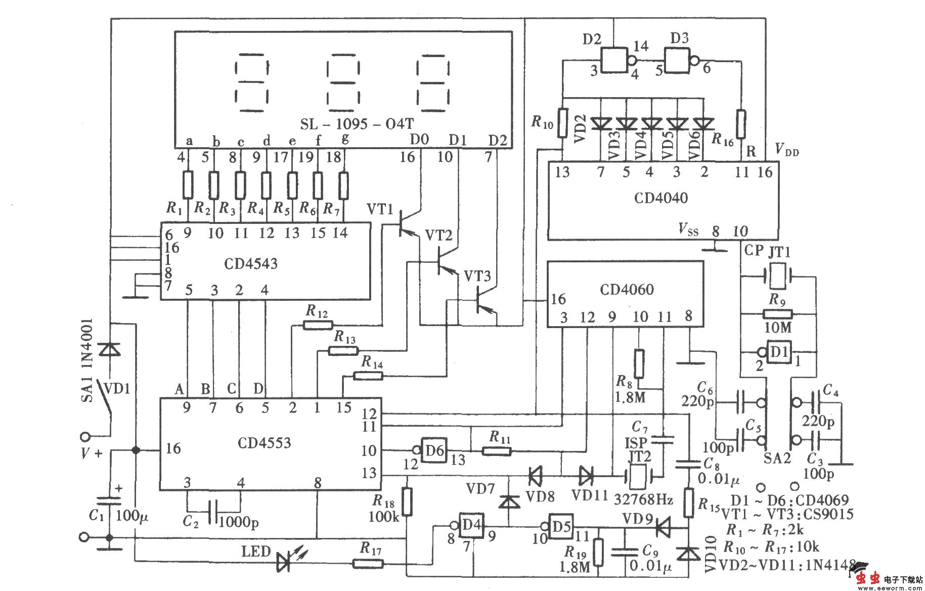
陶瓷晶体是红外线遥控发射器所采用的晶体式振荡元件,它的损坏率较高,在检修中通常难以判断它的好坏。采用如图所示的检测仪可以快速地判断它的好坏,为检修提供了很大方便。该仪器实际上是一台三位数显式频率计,读数单位为kHz。

陶瓷晶体检测仪(CD4553、CD4040、CD4543)

觉得这篇文章有帮助吗?