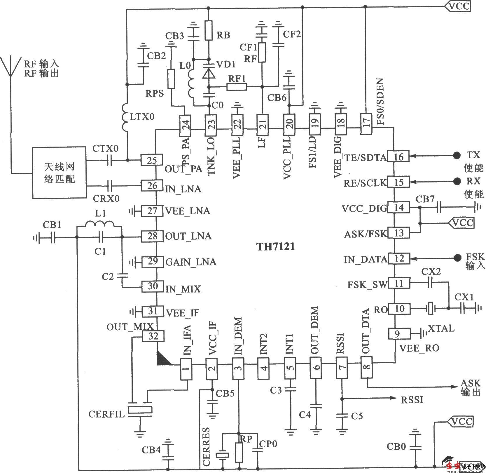
TH7120/TH7121是单信道或通过编程为多信道的收发器。它适合在半双工数字数据和模拟信号传输系统、低功耗遥感/遥测、警报和安全系统、遥控汽车和遥控锁以及家庭自动设备和模型控制等领域中应用。 主要技术特点如下: ·TH7120工作频率为300~930 MHz,TH7121工作频率为50~1000 MHz ISM,可编程为多信道或者为315/433/868/915 MHz固定频率的单信道; ·FSK/FM/ASK调制/解调方式; ·最大数据传输速率为60 Kb/s NRZ(FSK/ASK); ·灵敏度:FSK为-l03 dBm,ASK为-l05 dBm; ·输出功率为-15~ 6 dBm(可调); ·电源电压为2.2~5.5 V; ·工作电流:接收模式为6.0 mA,发射模式为9.0.mA,待机模式为50 nA; ·3线制总线串行接口。
TH7120工作在300~930 MHz FSK/FM/ASK收发器电路
TH7121工作在300~930 MHz FSK/FM/ASK收发器电路 TH7120/TH7121收发器电路元器件
